HMC959
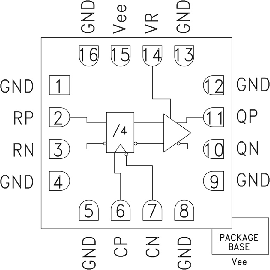
提供复位功能和可编程输出电压的26 GHz 4分频器件,采用SMT封装
制造商:ADI/AD
产品信息
优势和特点
差分与单端工作
快速上升和下降时间: 19 ps
低功耗: 281 mW(典型值)
可编程差分输出电压摆幅: 800 - 1800 mVp-p
传播延迟: 121 ps
单电源:-3.3V
16引脚3x3mm SMT封装: 9mm²
如需数据表和其他信息,请联系 RFMG-hsl@analog.com

元器件型号、描述、参数
提供复位功能和可编程输出电压的26 GHz 4分频器件,采用SMT封装
制造商:ADI/AD
优势和特点
差分与单端工作
快速上升和下降时间: 19 ps
低功耗: 281 mW(典型值)
可编程差分输出电压摆幅: 800 - 1800 mVp-p
传播延迟: 121 ps
单电源:-3.3V
16引脚3x3mm SMT封装: 9mm²
如需数据表和其他信息,请联系 RFMG-hsl@analog.com