HMC958
提供可编程输出电压的14 Gbps 4:1选择器,采用SMT封装
制造商:ADI/AD
产品信息
优势和特点
差分和单端输入/输出
低功耗: 294 mW(典型值)
快速上升和下降时间: 17 ps
可编程差分输出电压摆幅: 525 - 1300 mVp-p
传播延迟:
单电源: -3.3V
32引脚5x5mm SMT封装: 25mm²
如需数据表和其他信息,请联系 RFMG-hsl@analog.com
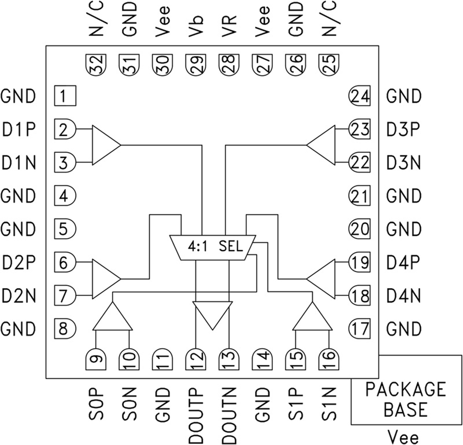
电路图、引脚图和封装图
应用案例
基于BL9580构成的3×IW的高亮度LED灯驱动电路
2020-10-04
探索HMC591LP5/HMC591LP5E:6.0 - 9.5 GHz GaAs PHEM
2026-01-04
探索HMC462LP5/HMC462LP5E:2 - 20 GHz宽带低噪声放大器
2026-01-04
探索HMC454ST89/HMC454ST89E:高性能InGaP HBT放大器的卓越表现
2026-01-04
高速利器:HMC674LC3C/HMC674LP3E 9.3 GHz 锁存比较器深度剖析
2026-01-06
9.3 GHz 锁存比较器 HMC674LC3C/HMC674LP3E:性能与应用全解析
2026-01-06
HMC-ALH369低噪音放大器
2022-04-19
STSPIN958可扩展全桥驱动器技术解析与应用设计
2025-10-24

