HMC955
1:2 Demux w/High Speed Invert & Programmable Output Voltage
制造商:ADI/AD
产品信息
优势和特点
Supports Data Rates up to 32 Gbps
660 mW Power Consumption
-3.3 V or +3.3 V Operation
Supports Single-Ended and Differential Operation
24 Lead Ceramic 4 x 4 mm SMT Package: 16 mm²
Invert Port Allows Scrambling for SERDES Application
产品详情
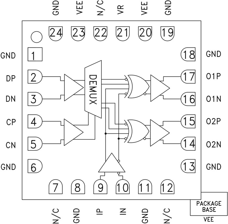
The HMC955LC4B is a 1 to 2 Demux designed to support data transmission rates up to 32 Gbps. The demux uses both rising and falling edges of the half-rate clock to sample the data in sequence 01-02 and latches the data on the rising edge into the differential outputs. The demux also has high-speed clock synchronous invert input that allows for scrambling of the data. The HMC955LC4B also features an output level control pin, VR, which allows for loss compensation or for signallevel optimization.
All differential inputs to the HMC955LC4B are CML and terminated on-chip with 50 Ohms to the positive supply, GND, and may be AC or DC coupled. The differential CML outputs are source terminated to 50 Ohms and may also be AC or DC coupled. Outputs can be connected directly to a 50 Ohm ground-terminated system or drive devices with CML logic input. The HMC955LC4B operates from a single -3.3 V supply and is available in a ceramic ROHS-compliant 4 x 4 mm SMT package.
Applications
SONET OC-192
Broadband Test & Measurement Equipment
FPGA Interfacing Circuitry
16 G and 32 G Fiber Channel
100 Gbit Ethernet
ADC Encoder
电路图、引脚图和封装图
应用案例
SpaceX 2021完美开门红:星链卫星955颗 首次实现火箭第一级重复使用10次
2021-01-21
探索HMC454ST89/HMC454ST89E:高性能InGaP HBT放大器的卓越表现
2026-01-04
采用砷化镓(GaAs)工艺制造的HMC232A
2023-02-01
特斯拉2020年交付49.955万台汽车,离50万一步之遥
2021-01-07
探索 HMC376LP3/HMC376LP3E:700 - 1000 MHz 的低噪声放大器
2026-01-01
探索HMC374/HMC374E低噪声放大器:高性能与紧凑设计的完美结合
2026-01-01
955A-27/35/43/KF功率放大器的特点
2021-11-12
高速利器:HMC674LC3C/HMC674LP3E 9.3 GHz 锁存比较器深度剖析
2026-01-06

