HMC954
提供可编程输出电压的2:1多路复用器
制造商:ADI/AD
产品信息
优势和特点
支持高达32 Gbps的数据速率
功耗:479 mW
工作电压:-3.3 V或+3.3 V
支持单端和差分工作
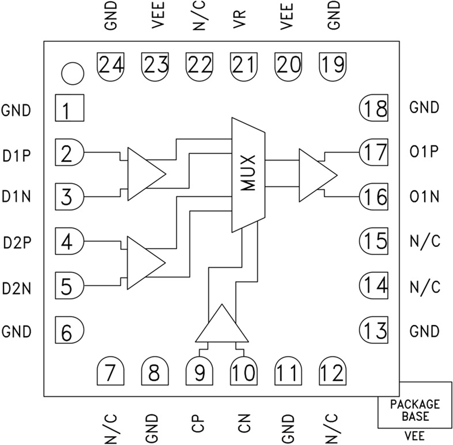
24引脚陶瓷4 x 4 mmSMT封装: 16 mm²
产品详情
HMC954LC4B是一款2:1多路复用器,设计用于32 Gbps数据串行应用。 多路复用器在输入时钟的上升沿锁存两个差分输入。 该器件使用半速率时钟的上升沿和下降沿来串行传输数据。 HMC954LC4B还集成一个输出电平控制引脚VR,可用于损耗补偿或信号电平优化。
HMC954LC4B的所有差分输入均采用CML并通过片上50 Ω端接至正电源GND,可采用交流或直流耦合。 差分CML输出的信号源端接至50 Ω,同样可交流或直流耦合。 输出可直接连接50 Ω接地端接系统,或者通过CML逻辑输入驱动器件。 HMC954LC4B采用-3.3 V单电源供电,提供符合RoHS标准的4x4 mm SMT陶瓷封装。
应用
SONET OC-192
宽带测试和测量设备
FPGA接口电路
16 G和32 G光纤通道
100 Gb以太网

