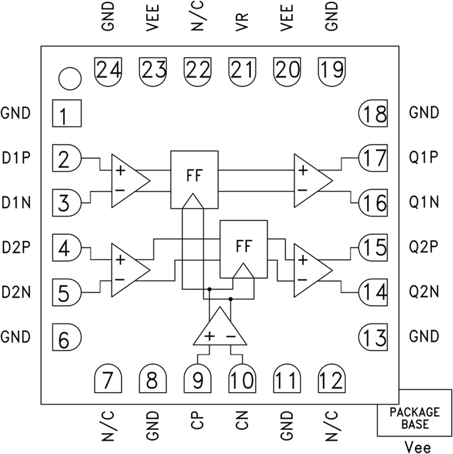
HMC953
提供公共时钟和可编程输出电压的14 Gbps双通道D类触发器,采用SMT封装
制造商:ADI/AD
产品信息
优势和特点
差分或单端工作
快速上升和下降时间: 22/20 ps
低功耗: 442 mW(典型值)
可编程差分输出电压摆幅: 600 - 1300 mVp-p
传播延迟:104 ps
单电源: -3.3V
24引脚4x4mm SMT封装: 16mm²
如需数据表和其他信息,请联系 RFMG-hsl@analog.com

元器件型号、描述、参数
提供公共时钟和可编程输出电压的14 Gbps双通道D类触发器,采用SMT封装
制造商:ADI/AD
优势和特点
差分或单端工作
快速上升和下降时间: 22/20 ps
低功耗: 442 mW(典型值)
可编程差分输出电压摆幅: 600 - 1300 mVp-p
传播延迟:104 ps
单电源: -3.3V
24引脚4x4mm SMT封装: 16mm²
如需数据表和其他信息,请联系 RFMG-hsl@analog.com