HMC948
54 dB对数检波器,采用SMT封装,1 - 23 GHz
制造商:ADI/AD
产品信息
优势和特点
宽输入带宽: 1至23 GHz
宽动态范围: 54 dB(最高至23 GHz)
单正电源: +3.3V
出色的温度稳定性
快速上升/下降时间: 5 / 7 ns
16引脚3x3mm SMT封装: 9mm²
产品详情
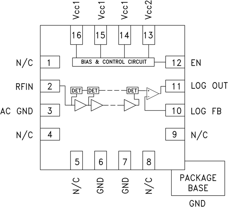
HMC948LP3E对数检波器将输入端的RF信号转换为输出端成正比的DC电压。 HMC948LP3E利用连续压缩拓扑结构,提供宽输入频率范围内的高动态范围。 随着输入功率增加,连续放大器逐渐进入饱和,从而生成对数函数近似值。
对一系列平方律检波器输出求和,转换至电压域并缓冲,以驱动LOG OUT输出。 HMC948LP3E提供+14.2 mV/dB的标称对数斜率和-111 dBm的截距(23 GHz时)。 HMC948LP3E作为对数检波器,非常适合高容量微波无线电和VSAT应用,并采用符合RoHS标准的紧凑型3x3 mm SMT塑料封装。
应用
点对点微波无线电
VSAT
宽带功率监控
接收机信号强度指示(RSSI)
测试与测量

