HMC940
提供可编程输出电压的13 Gbps 1:4扇出缓冲器
制造商:ADI/AD
产品信息
优势和特点
输入内部端接50 Ω
差分输入直流耦合
传播延迟: 101 ps
快速上升和下降时间: 26/25 ps
可编程差分输出电压摆幅: 600 - 1400 mV
功耗: 440 mW
24引脚4x4mm SMT封装: 16mm²
产品详情
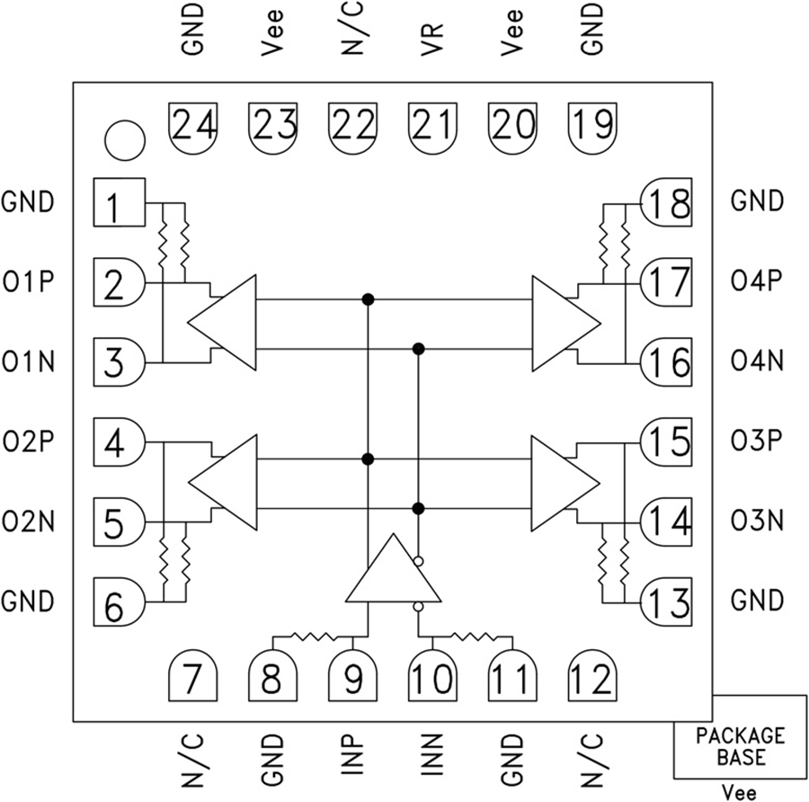
HMC940LC4B是一款1:4扇出缓冲器,支持高达13 Gbps数据传输速率以及高达13 GHz时钟频率。 所有差分输入和输出均为直流耦合,并通过片上50 Ω电阻端接至地。 可在单端或差分模式下使用输出,并且应当通过接地的50 Ω电阻进行交流或直流耦合。
HMC940LC4B还集成一个输出电平控制引脚VR,可用于损耗补偿或信号电平优化。 HMC940LC4B采用-3.3V DC单电源供电,提供符合RoHS标准的4x4 mm SMT陶瓷封装。
应用
RF ATE应用
宽带测试和测量
串行数据传输高达13 Gbps
时钟缓冲高达13 GHz

