HMC936A
6位数字移相器SMT,1.2 - 1.4 GHz
制造商:ADI/AD
产品信息
优势和特点
低RMS相位误差:1.2°
低插入损耗: 5 dB
高线性度: +45 dBm
正控制逻辑
360°覆盖,LSB = 5.625°
28引脚6x6 mm SMT封装:36mm2
产品详情
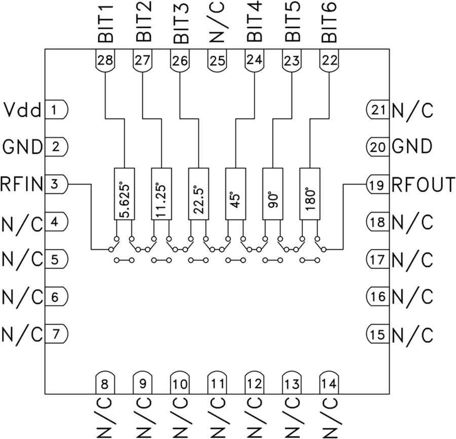
HMC936A是一款6位数字移相器,额定频率范围为1.2至1.4 GHz,提供360度相位覆盖,LSB为5.625度。 HMC936A在所有相态具有1.2度的极低RMS相位误差及±0.5 dB的极低插入损耗变化。 这种高精度移相器由0/+5V正控制逻辑控制,无需负电源电压。 HMC936A 采用紧凑型6x6 mm塑料无引脚SMT封装,内部匹配至50 Ω,无需任何外部元件。
应用
EW接收机
气象和军用雷达
相位抵消
卫星通信
波束成形模块
电路图、引脚图和封装图
应用案例
HMC-ALH445-DIE 低噪声放大器芯片,18 - 40 GHz 产品详情
2021-11-29
936型恒温电烙铁电子电路设计图
2014-09-09
低成本高灵活性RMS功率检波器HMC1010LP4E和HMC
2010-05-09
春花牌ZW80-936吸尘器电路图
2009-02-19
HMC-APH518功率放大器
2022-04-06
基于AT91RM9200和HMC1022芯片实现智能交通车辆检测系统的设计
2020-11-01
HMC595A GaAs MMIC 3 W T/R开关DC-3 GHz技术手册
2025-03-08
HMC427A GaAs MMIC正控制转换开关技术手册
2025-03-07

