HMC914
带信号丢失检测功能的12.5 Gbps限幅放大器,采用SMT封装
制造商:ADI/AD
产品信息
优势和特点
支持高达12.5 Gbps的数据速率
差分小信号增益: 32 dB
可编程信号丢失检测(LOS)
自动输出禁用模式
可调差分饱和O/P电压摆幅,最高750 mV
集成直流失调校正
接收信号强度指示(RSSI)输出
24引脚4x4mm SMT封装: 16mm²
产品详情
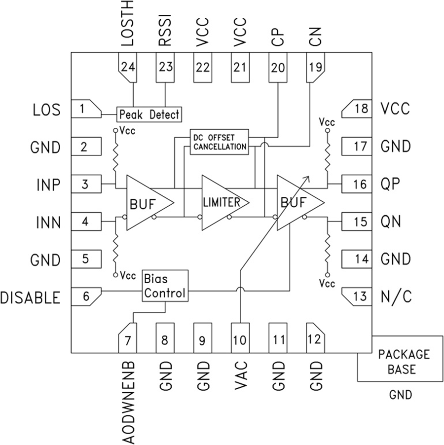
HMC914LP4E是一款限幅放大器,设计支持高达12.5 Gbps的数据传输速率。 该放大器可在各种输入电压电平范围内工作,提供恒定的差分输出摆幅。 HMC914LP4E具有信号丢失(LOS)指示器输出,输入信号幅度阈值电平可通过LOSTH引脚调节。 HMC914LP4E还集成一个输出电平控制引脚VAC,可用于损耗补偿或输出信号电平优化。 差分输出信号摆幅可调节至最高750 mVp-p。此外,片上还提供集成式直流失调补偿。 HMC914LP4E提供模拟RSSI输出电压,该电压与输入信号幅度成比例。
所有单端输入信号均以50 Ω端接至片上+3.3V,并可交流或直流耦合。 HMC914LP4E的输出可采用差分或单端配置工作。 HMC914LP4E采用+3.3V DC单电源供电,提供符合RoHS标准的4x4 mm SMT塑料封装。
应用
基于SONET/SDH的传输系统
OC-192光纤模块
10 Gb以太网
8x和10x光纤通道
宽带RF增益模块
电路图、引脚图和封装图
应用案例
ASC914车灯芯片应用摩托灯电动车灯越野长条大灯方案
2025-09-19
Texas Instruments TLV914x高压RRIO运算放大器数据手册
2025-07-08
HMC561LP3有源倍频器介绍
2022-09-15
HMC-ALH369低噪音放大器
2022-04-19
ADCLK914超快型SiGe开集HVDS时钟/数据缓冲器技术手册
2025-04-11
HMC642A/HMC642LC5 6位数字移相器芯片和采用SMT封装技术手册
2025-04-09
国芯思辰|国产可编程霍尔电流传感器AH914用于智能空开,检测电流最高可达40A
2022-12-06
国芯思辰|国产可编程霍尔电流传感器AH914用于智能空开,检测电流最高可达40A
2022-12-06

