HMC913LC4B
连续检波对数视频放大器,采用SMT封装,0.6 - 20 GHz
制造商:ADI/AD
产品信息
优势和特点
高对数范围: 59 dB
输出频率平坦度: ±2 dB
对数线性度: ±1 dB
快速上升/下降时间: 5/10 ns
单正电源: +3.3V
ESD灵敏度(HBM): 1A级
24引脚4x4mm SMT封装: 16mm²
产品详情
HMC913LC4B是一款连续检波对数视频放大器(SDLVA),工作频率范围为0.6至20 GHz。 HMC913LC4B提供59 dB的对数范围。 该器件提供5/10 ns的典型快速上升/下降时间,延迟时间仅14 ns。 HMC913LC4B对数视频输出斜率为14 mV/dB(典型值)。 最大恢复时间不到30 ns。 HMC913LC4B采用高度紧凑的4x4 mm SMT陶瓷封装,非常适合高速通道接收机应用。
应用
EW、ELINT和IFM接收机
DF雷达系统
ECM系统
宽带测试和测量
功率测量和控制电路
军事和太空应用
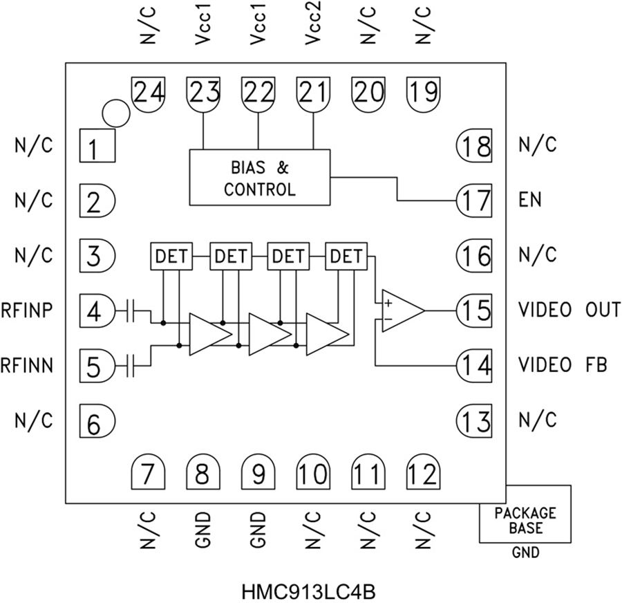
电路图、引脚图和封装图
应用案例
HMC733LC4B集成缓冲放大器的宽带VCO SMT,10-20GHz技术手册
2025-04-30
HMC587LC4B采用SMT封装的宽带VCO,带有缓冲放大器技术手册
2025-04-30
HMC586LC4B采用SMT封装的宽带VCO,带有缓冲放大器技术手册
2025-04-30
为什么LC振荡器中LC回路一般都工作在失谐状态?
2023-10-20
谐波泵浦(x2)MMIC混频器HMC264LC3B概述
2023-05-26
相位正交(I/Q)混频器HMC524ALC3B概述
2023-05-24
罗技新品G913/G813 GL矮轴机无线械键盘正式发布
2019-08-29
HMC1131LC4功率放大器
2022-04-20

