HMC910
宽带模拟时间延迟器件,采用SMT封装,DC - 24 GHz
制造商:ADI/AD
产品信息
优势和特点
极宽带宽: DC - 24 GHz
连续可调节 延迟范围: 70 ps
单端或差分工作
可调差分输出电压摆幅: 170 - 760 mVp-p(24 GHz)
延迟控制调制带宽: 10 MHz
单电源: +3.3V
24引脚4x4mm SMT封装: 16mm²
产品详情
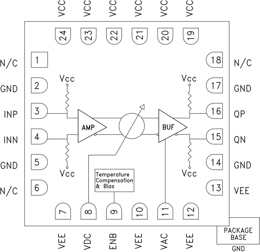
HMC910LC4B是一款宽带时间延迟器件,具有0至70 ps连续可调延迟范围。 延迟控制相对于控制电压VDC具有直线单调性,控制输入调制带宽为600MHz。该器件针对高于输入灵敏度电平的单端或差分输入电压可提供恒定幅度的差分输出电压,同时可通过VAC控制引脚调节输出电压摆幅。
HMC910LC4B具有内部温度补偿和偏置电路,以最大程度降低随温度而变化的延迟。 该器件还具有使能引脚ENB。 HMC910LC4B的所有RF输入和输出均通过50 Ω内部端接至Vcc,并可交流或直流耦合。 输出引脚可直接通过50 Ω连接Vcc端接系统,如果端接系统输入通过50 Ω连接直流电压而非Vcc,则必须使用隔直电容。
应用
时钟和数据同步
转换器设计
串行数据传输高达32 Gbps
宽带测试和测量
RF ATE应用

