HMC900
50 MHz双通道基带可编程低通滤波器
制造商:ADI/AD
产品信息
优势和特点
低噪声系数: 12 dB
高线性度: 输出IP3 +30 dBm
可编程带宽: 3.5至50 MHz
出色的 3 dB 带宽精度:±2.5%
六阶巴特沃兹幅度和相位响应
自动滤波器校准
外部控制共模输出电平简化接口
读/写串行端口接口(SPI)
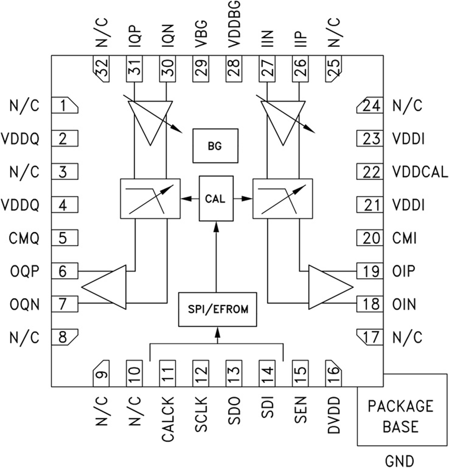
32引脚5x5 mm SMT封装: 25 mm²
产品详情
HMC900LP5E是一款6阶、可编程带宽、完全校准、双通道低通滤波器。 该器件具有0或10 dB输入增益设置并支持3.5至50 MHz范围的任意带宽。校准时,相对所需带宽的精度为±2.5%。 它包括滤波器旁路选项,带宽为100 MHz,同时可保持增益和共模设置。
HMC900LP5E采用紧凑型5x5mm SMT QFN封装,只需极少的外部元件,为更复杂的开关分立式滤波器架构提供了一种低成本替代解决方案。 HMC900LP5E的滤波器校准采用20至80 MHz参考时钟速率。 一次可编程(OTP)存储器具有无与伦比的灵活性,允许用户“一次性设置”增益、带宽等参数。
HMC900LP5E具有匹配的滤波器路径,提供出色的正交平衡,是I/Q通信应用的理想选择。 6阶巴特沃兹传递函数具有出色的阻带抑制性能,同时保持平坦的通带和最低群延迟变化。
应用
ADC或DAC基带滤波
点对点、固定无线与蜂窝基站收发机
集成式直接变频接收机(DCR)
软件定义无线电应用
测试和测量设备

