HMC877
宽带时间延迟和相移器,采用SMT封装,8 - 23 GHz
制造商:ADI/AD
产品信息
优势和特点
极宽带宽: 8 - 23 GHz
连续可调延迟范围: 500°(1.4单位间隔)
单端或差分工作
可调差分输出电压摆幅: 500 - 950 mVp-p(16 GHz)
延迟控制调制带宽: 2.5 GHz
单电源: +3.3V
16引脚陶瓷3x3 mm SMT封装: 9 mm²
产品详情
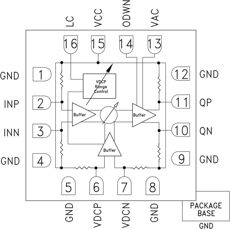
HMC877LC3是一款相移器/时间延迟器件,具有0至500° (1.4 UI)连续可调相移/延迟范围。 延迟控制相对于差分控制电压(VDCP、VDCN)具有直线单调性,控制输入调制带宽为2.5 GHz。 该器件针对高于输入灵敏度电平的单端或差分输入电压可提供恒定幅度的差分输出电压,同时可通过VAC控制引脚调节输出电压摆幅。
HMC877LC3具有内部温度补偿和偏置电路,最大程度降低随温度而变化的延迟。 该器件还具有延迟控制电压范围调节引脚LC。 HMC877LC3的所有RF输入和输出均通过内部50 Ω端接至Vcc,并可交流或直流耦合。 输出引脚可直接通过50 Ω连接Vcc端接系统,如果端接系统输入通过50 Ω连接直流电压而非Vcc,则必须使用隔直电容。 HMC877LC3采用符合ROHS标准的3 x 3 mm SMT封装。
应用
时钟和数据同步
转换器设计
宽带测试和测量
RF ATE应用
电路图、引脚图和封装图
应用案例
运动控制核芯片HMC8043A、HMC8045A性能特点及适用领域
2021-03-09
德州仪器CDCUA877:1.8-V锁相环时钟驱动器的卓越性能剖析
2026-02-08
TI CDCU2A877:高性能DDR II时钟驱动器的卓越之选
2026-02-08
HMC-ALH444 产品详情浅谈
2021-11-29
将PIR与PIC16F877A连接起来的教程
2022-11-17
使用PIC16F877A连接4x4矩阵键盘的教程
2022-11-16
使用热敏打印机连接PIC16F877A并使用轻触开关实现打印的教程
2022-11-04
将MCP4921与PIC16F877A接口进行数模转换的方法
2022-09-07

