HMC862A
0.1 - 15 GHz低噪声可编程分频器(N = 1、2、4、8),采用SMT封装
制造商:ADI/AD
产品信息
优势和特点
低噪底: -153 dBc/Hz(100 kHz偏移)
可编程分频器,N =1、2、4或8
宽带宽: 100 MHz至15 GHz
16引脚3x3mm SMT封装: 9mm²
产品详情
HMC862A是一款低噪声可编程分频器,采用3x3mm无引脚表贴封装。 在100 MHz至15 GHz 输入频率范围内,该分频器可编程并采用N = 1、2、4、8分频。 该器件具有低相位噪声、宽频率范围和灵活的分频比,适用于高性能和宽带通信系统。
应用
卫星通信系统
点对点和点对多点无线电
军事应用
测试设备
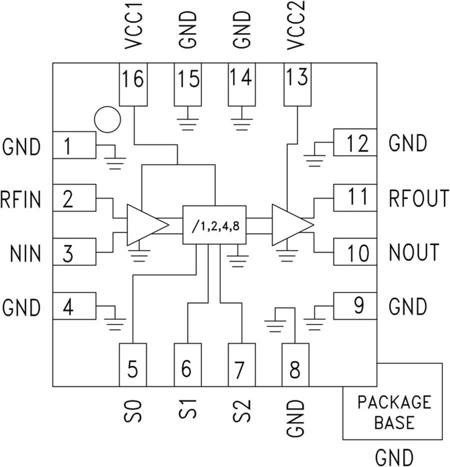
电路图、引脚图和封装图
应用案例
HMC773A GaAs MMIC基波混频器技术手册
2025-04-02
HMC6147ALC5A GaAs MMIC I/Q下变频器技术手册
2025-04-02
HMC642A/HMC642LC5 6位数字移相器芯片和采用SMT封装技术手册
2025-04-09
HMC998A:DC - 22 GHz的GaAs pHEMT MMIC 2瓦功率放大器
2026-01-05
HMC907A:高性能GaAs pHEMT MMIC功率放大器详解
2026-01-05
0.01 GHz - 10 GHz MMIC GaAs pHEMT RF增益模块HMC788A:设计与应用详解
2026-01-05
HMC804X系列精灵型可编程直流电源的产品特点及应用范围
2020-12-27
HMC383功率放大器
2022-04-06

