HMC860
四通道、低噪声、高PSRR线性稳压器
制造商:ADI/AD
产品信息
优势和特点
超低噪声: 3nV/√Hz (10 kHz)7nV/√Hz (1 kHz)
高电源抑制比(PSRR) 80 dB (1 kHz),60 dB (1 MHz)
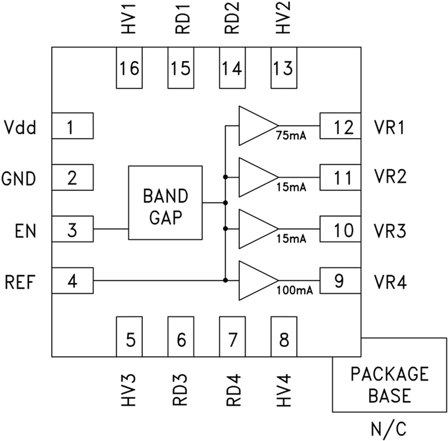
四个电压输出: VR1(3V / 80 mA VR2)VR3(3V / 20 mA)VR4(4.5V / 120 mA)
可调输出: 2.5V至5.2V
低掉电电流: <1 μA
16引脚3x3mm SMT封装: 9mm²
产品详情
HMC860LP3E是一款BiCMOS超低噪声四通道输出稳压器。 该器件集成低噪声带隙基准电压源并外部去耦,以获得最佳的带内噪声性能。 0.1 MHz至10 MHz范围内具有高电源抑制比(PSRR),提供针对前置开关稳压器噪声的出色抑制性能。 四个电压输出适合用于频率生成子系统,包括Hittite丰富的集成VCO的PLL系列。 每一个输出电压都可通过一个外部电阻调节为高于或低于默认值。
将相应的HV引脚接地,即可将每一个输出设为5 V。 采用TTL兼容型使能输入可关断稳压器。 HMC860LP3E采用3x3mm QFN SMT封装。
应用
测试仪器仪表
军用无线电、雷达和ECM
基站基础设施
超低噪声频率生成
小数N分频频率合成器电源
混合信号电路电源

