HMC859
提供复位功能和可编程输出电压的26 GHz 8分频器件,采用SMT封装
制造商:ADI/AD
产品信息
优势和特点
差分与单端工作
快速上升和下降时间: 19/17 ps
低功耗: 320 mW(典型值)
可编程差分输出电压摆幅: 800 - 1900 mVp-p
传播延迟: 146 ps
单电源: -3.3V
16引脚3x3mm SMT封装: 9mm²
如需数据表和其他信息,请联系 RFMG-hsl@analog.com
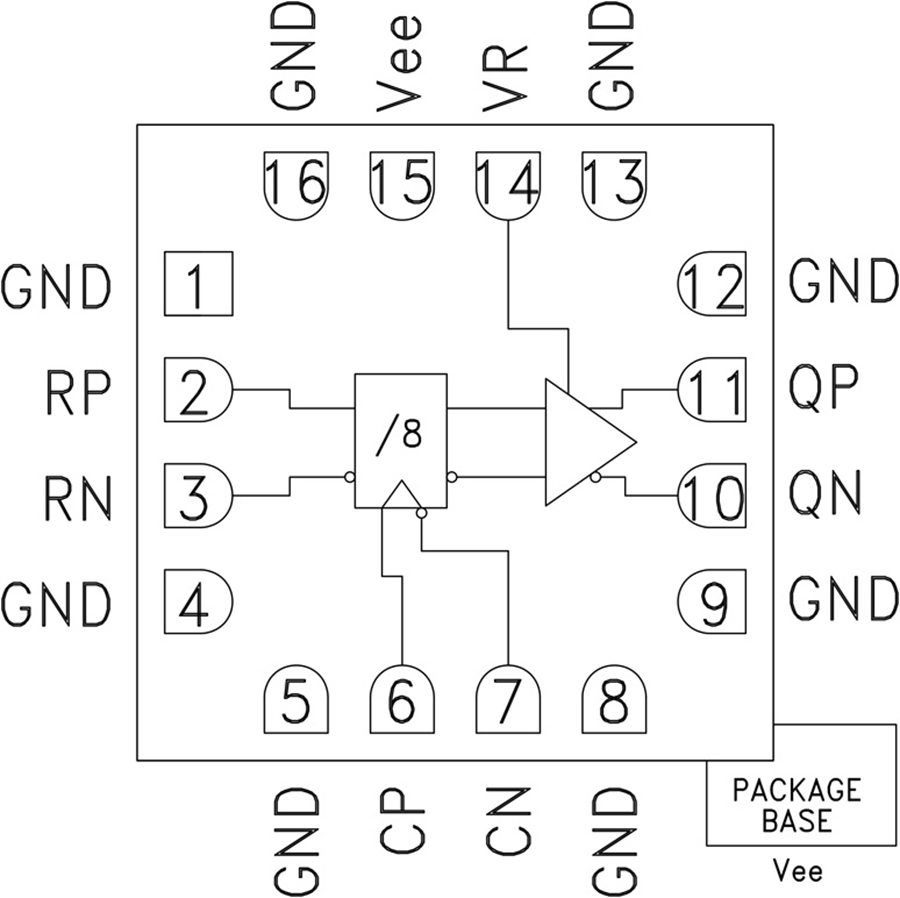
电路图、引脚图和封装图
应用案例
亚马逊上架吹风机需提供UL859测试报告
2022-12-03
1-7月手机上网的流量达到859亿GB,同比增长30%
2020-08-22
OI859CF手持5 4/5位万用表的技术指标及性能特点分析
2021-01-12
探索HMC656LP2E - HMC658LP2E宽频固定衰减器家族
2026-03-04
亚马逊上架吹风机需提供UL859测试报告
2022-12-03
探索 HMC376LP3/HMC376LP3E:700 - 1000 MHz 的低噪声放大器
2026-01-01
探索HMC374/HMC374E低噪声放大器:高性能与紧凑设计的完美结合
2026-01-01
为旌科技VS859:国产具身智能“感算控”一体SoC,赋能边缘多模态智能场景
2025-05-14

