HMC855
提供可编程输出电压的28 Gbps 1:4解复用器,采用SMT封装
制造商:ADI/AD
产品信息
优势和特点
差分与单端工作
半速率时钟输入
¼速率参考时钟输出
快速上升和下降时间: 22 ps
低功耗: 644 mW(典型值)
可编程差分输出电压摆幅: 450 - 1,144 mV
单电源: -3.3V
32引脚5x5mm SMT封装: 25mm
产品详情
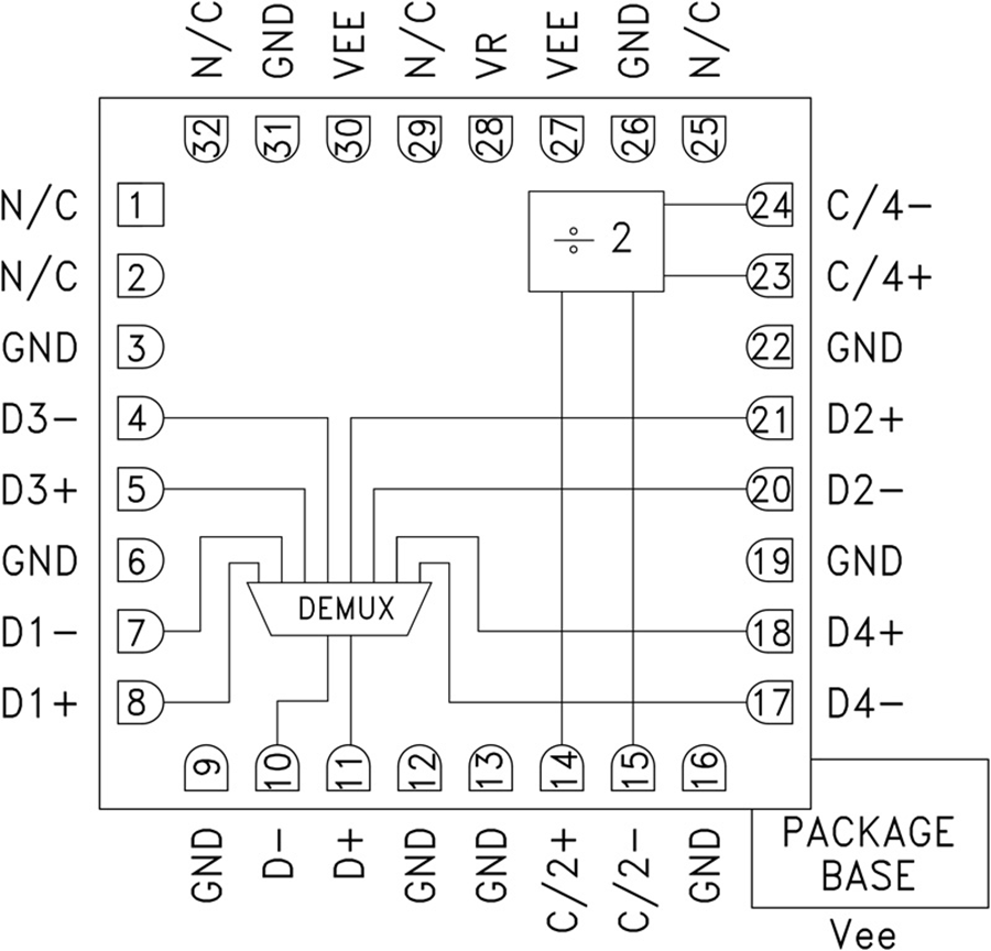
HMC855LC5是一款1:4解复用器,设计用于高达28 Gbps数据解串应用。 该器件使用半速率时钟的上升沿和下降沿来采样输入数据序列D0-D3,并将数据锁存至差分输出。 片上生成1/4速率时钟输出信号,可用来将数据读入其他器件。 解复用器为直流耦合,支持宽带工作。
HMC855LC5的所有时钟和数据输入均采用CML并通过片上50 Ω端接至正电源GND,可采用直流或交流耦合。 差分输出的信号源端接至50 Ω,同样可交流或直流耦合。 输出可直接连接50 Ω接地端接系统,或者通过CML逻辑输入驱动器件。 HMC855LC5还集成一个输出电平控制引脚VR,可用于损耗补偿或信号电平优化。 HMC855LC5采用-3.3V单电源供电,提供符合RoHS标准的5x5 mm SMT封装。
应用
SONET OC-192
宽带测试和测量
串行数据传输高达28 Gbps
FPGA接口
电路图、引脚图和封装图
应用案例
基于AT91RM9200和HMC1022芯片实现智能交通车辆检测系统的设计
2020-11-01
iQOO Neo 855版评测 你值得拥有iQOO Neo 855版
2020-08-03
iQOO Neo 855竞速版限时直降200元该机搭载骁龙855 Plus旗舰平台
2020-01-17
联想Z5 Pro GT 855版开启Android 10内测
2019-12-18
骁龙855+的性能怎么样
2019-12-16
iQOO Neo 855版评测 用骁龙855打造的极具性价比的手机
2019-10-25
iQOO Neo 855竞速版曝光搭载了骁龙855 Plus平台支持33W闪充
2019-12-05
搭载高通骁龙855旗舰平台的iQOO Neo 855版本将于10月24日发布
2019-10-17

