HMC854
提供可编程输出电压的28 Gbps 4:1多路复用器,采用SMT封装
制造商:ADI/AD
产品信息
优势和特点
差分与单端工作
半速率时钟输入
¼速率参考时钟输出
快速上升和下降时间: 16 ps
低功耗: 510 mW(典型值)
可编程差分输出电压摆幅: 700 - 1,250 mV
单电源: -3.3V
32引脚5x5mm SMT封装: 25mm²
产品详情
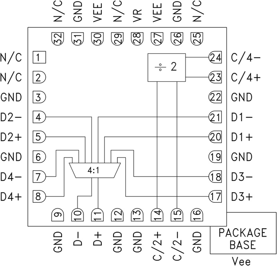
HMC854LC5是一款4:1多路复用器,设计用于28 Gbps数据串行应用。 多路复用器在输入时钟的上升沿锁存四个差分输入。 该器件使用半速率时钟的上升沿和下降沿来串行传输数据。 片上生成1/4速率时钟输出信号,可用来使数据与多路复用器同步。 多路复用器为直流耦合,支持宽带工作。
HMC854LC5的所有时钟和数据输入均采用CML并通过片上50 Ω端接至正电源GND,可采用直流或交流耦合。 差分输出的信号源端接至50 Ω,同样可交流或直流耦合。 输出可直接连接50 Ω接地端接系统,或者通过CML逻辑输入驱动器件。 HMC854LC5还集成一个输出电平控制引脚VR,可用于损耗补偿或信号电平优化。 HMC854LC5采用-3.3V单电源供电,提供符合ROHS标准的5x5 mm SMT封装。
应用
SONET OC-192
宽带测试和测量
串行数据传输高达28 Gbps
多路复用模式: 4:1 (28 Gbps NRZ) 2:1 (14 Gbps RZ和NRZ)
FPGA接口

