HMC851
提供可编程输出电压的28 Gbps XOR/XNOR,采用SMT封装
制造商:ADI/AD
产品信息
优势和特点
输入内部端接至50 Ω
差分与单端工作
传播延迟: 97 ps
快速上升和下降时间: 15/14 ps
可编程差分输出电压摆幅: 500 - 1,300 mV
低功耗: 241 mW(典型值)
单电源: -3.3V
16引脚3x3mm SMT封装: 9mm²
产品详情
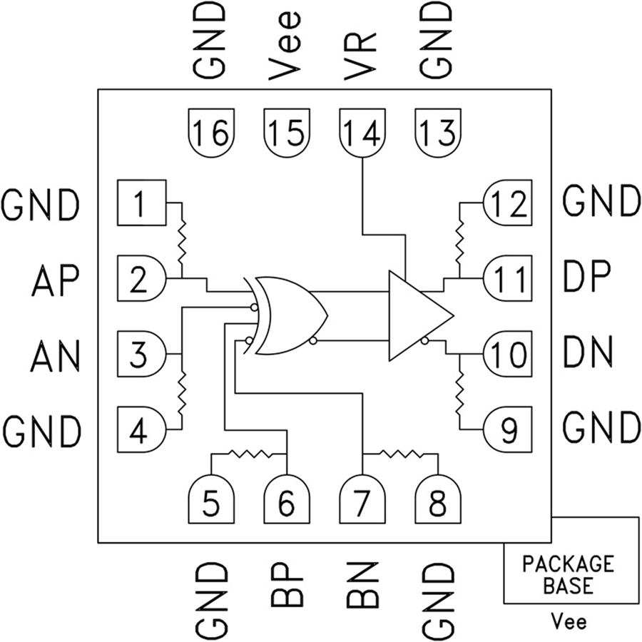
HMC851LC3C是一款XOR/XNOR门功能器件,支持高达28 Gbps数据传输速率以及高达28 GHz时钟频率。 HMC851LC3C还集成一个输出电平控制引脚VR,可用于损耗补偿或信号电平优化。
HMC851LC3C的所有输入信号均以50 Ω端接至片上接地,可采用交流或直流耦合。 HMC851LC3C的差分输出可交流或直流耦合。 输出可以直接连接到50 Ω接地端接系统,如果采用50 Ω端接至非接地直流电压,则可以使用隔直电容。 HMC851LC3C采用-3.3V DC单电源供电,提供符合RoHS标准的3x3 mm SMT陶瓷封装。
应用
RF ATE应用
宽带测试和测量
串行数据传输高达28 Gbps
电路图、引脚图和封装图
应用案例
HMC544AETR低成本SPDT交换机应用介绍
2023-05-31
业界首款15Gb/s HMC接口的展示
2018-11-27
HMC-ALH445低噪音放大器
2022-04-19
搭载 全志V851S新一代智能视觉处理器的 EKEN 低功耗智能摄像机 上市!
2023-07-26
如何使用TinyVision去手动构建Linux 6.1+Debian 12镜像呢?
2024-03-16
Texas Instruments ESD851/ESD851-Q1 ESD保护二极管数据手
2025-07-18
HMC561LP3有源倍频器介绍
2022-09-15
魅蓝X评测:单核心851分,多核心3868分力抗一加3T,Flyme6界面撩人
2016-12-02

