HMC843
提供可编程输出电压的45 Gbps快速上升时间AND/NAND/OR/NOR
制造商:ADI/AD
产品信息
优势和特点
支持高数据速率: 最高45 Gbps
差分与单端工作
快速上升与下降时间: 10/10 ps
低功耗: 530 mW
可编程差分输出电压摆幅: 200 - 900 mV
单电源: -3.3V
24引脚4x4mm SMT陶瓷封装: 16mm²
产品详情
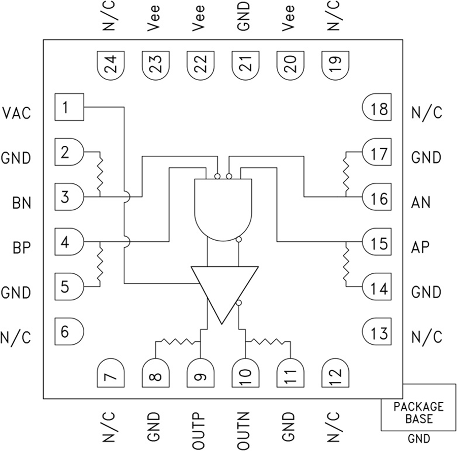
HMC843LC4B是一款AND/NAND/OR/NOR功能器件,支持高达45 Gbps数据传输速率以及高达25 GHz时钟频率。 HMC843LC4B可轻松配置为提供下列任意逻辑功能: AND、NAND、OR和NOR。 HMC843LC4B还集成一个输出电平控制引脚VAC,可用于损耗补偿或信号电平优化。
HMC843LC4B的所有输入信号均以50 Ω端接至片上接地,可采用交流或直流耦合。 HMC843LC4B的差分输出可交流或直流耦合。 输出可直接连接50 Ω接地端接系统,如果通过50 Ω端接至非接地直流电压,则应当使用隔直电容。 HMC843LC4B采用-3.3V DC单电源供电,提供符合RoHS标准的4x4 mm SMT陶瓷封装。
应用
RF ATE应用
宽带测试和测量
串行数据传输高达45 Gbps
高达25 GHz数字逻辑系统
NRZ-RZ转换

