HMC841
集成可编程输出电压的43 Gbps D类触发器
制造商:ADI/AD
产品信息
优势和特点
支持高达43 Gbps的数据速率
低功耗: 630 mW
快速上升和下降时间: 12/12 ps
单端或差分工作
可调差分输出电压摆幅: 200 - 850 mVp-p
24引脚4x4mm SMT封装: 16mm²
产品详情
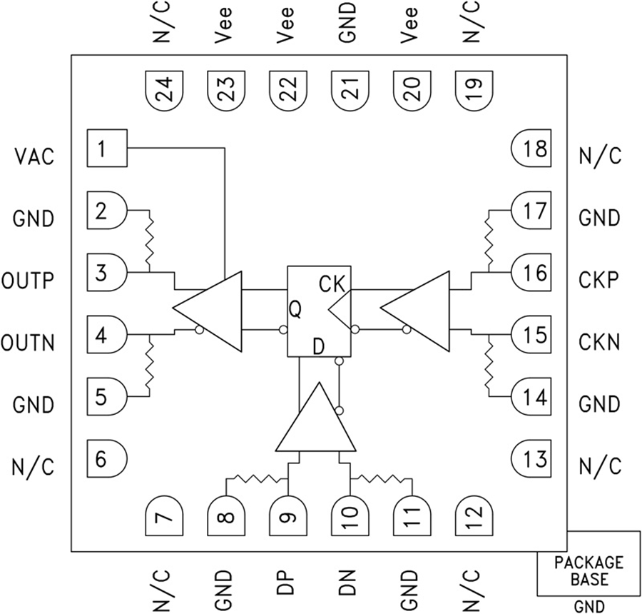
HMC841LC4B是一款D类触发器,支持高达43 Gbps数据传输速率以及高达43 GHz的时钟频率。 正常工作期间,数据在时钟正边沿传输至输出端。 反转时钟输入便可实现负沿触发应用。 HMC841LC4B还集成一个输出电平控制引脚VAC,可用于损耗补偿或信号电平优化。
HMC841LC4B的所有输入信号均以50 Ω端接至片上接地,可采用交流或直流耦合。 HMC841LC4B的差分输出可交流或直流耦合。 输出可直接连接50 Ω接地端接系统,如果通过50 Ω端接至非接地直流电压,则应当使用隔直电容。 HMC841LC4B采用-3.3V DC单电源供电,提供符合RoHS标准的4x4 mm SMT陶瓷封装。
应用
OC-768和SDH STM-256设备
RF ATE应用
串行数据传输高达43 Gbps
高达43 Gbps的数字逻辑系统
宽带测试和测量

