HMC836
集成VCO 的小数N分频PLL,采用SMT封装,3365 - 3,705 MHz
制造商:ADI/AD
产品信息
优势和特点
RF带宽: 3365 - 3,705 MHz
小数或整数模式
19位预分频器
超低相位噪声:-98 dBc/Hz(带内典型值)
品质因数(FOM):-227 dBc(整数)
24位步长,3 Hz分辨率(典型值)
200 MHz、14位参考路径输入
防周跳
40引脚6x6mm SMT封装: 36mm²
产品详情
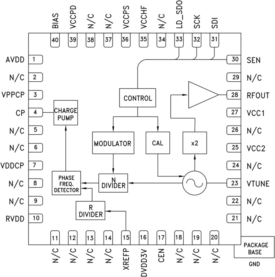
HMC836LP6CE是一款全功能小数N分频锁相环(PLL)频率合成器,集成压控振荡器(VCO)。 频率合成器由带有二分频输出的集成式低噪声VCO、用于低压VCO调谐的自动校准子系统、极低噪声数字相位检波器(PD)、精密控制电荷泵、低噪声参考路径分频器和小数分频器组成。
小数分频频率合成器采用高级Σ-Δ型调制器设计,支持超精细步长和低杂散产物。 相位检波器(PD)采用防周跳(CSP)技术,具有更快的跳频时间。 超低近载波相位噪声和低杂散特性还实现了更宽的环路带宽,从而具有更快的跳频和低微音特性。
有关工作原理和寄存器映射信息,请参见”集成VCO的PLL – RF VCO”操作指南。
应用
蜂窝/4G基础设施
中继器和毫微微蜂窝
通信测试设备
有线电视设备
相控阵应用
替代DDS
极高数据速率无线电
电路图、引脚图和封装图
技术资料
应用案例
SNEC 2025亮点:亿纬锂能发布全新836kWh分体式模块柜
2025-06-13
HMC544AETR低成本SPDT交换机应用介绍
2023-05-31
探索HMC374/HMC374E低噪声放大器:高性能与紧凑设计的完美结合
2026-01-01
采用砷化镓(GaAs)工艺制造的HMC232A
2023-02-01
探索 HMC652LP2E - HMC655LP2E 宽带固定衰减器家族
2026-03-05
MAX836/MAX837 4 引脚微功耗电压监测器:设计与应用解析
2026-02-26
探索HMC656LP2E - HMC658LP2E宽频固定衰减器家族
2026-03-04
HMC742ALP5E数控VGA
2022-05-03

