HMC830
集成VCO 的小数N分频PLL,采用SMT封装,25 - 3,000 MHz
制造商:ADI/AD
产品信息
优势和特点
RF带宽: 25 - 3,000 MHz
鉴相器最高速率:100 MHz
超低相位噪声:-110 dBc/Hz(带内典型值)
品质因数(FOM):-230 dBc/Hz(整数)
40引脚6 x 6 mm SMT封装: 36 mm²
产品详情
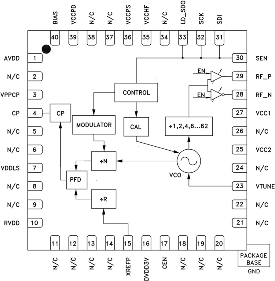
HMC830LP6GE是一款低噪声、宽带、小数N分频锁相环(PLL),集成基频范围为1500 MHz - 3000 MHz的压控振荡器(VCO),以及集成式VCO输出分频器(1/2/4/6.../60/62分频),共同支持HMC830LP6GE产生范围为25 MHz至3000 MHz的频率。 集成式相位检波器(PD)和Σ-Δ型调制器能以高达100 MHz的频率工作,实现更宽的环路带宽和出色的频谱性能。
HMC830LP6GE在所有频率下均具有业界领先的相位噪声和杂散性能,可最大程度降低阻塞效应,并改善接收机灵敏度和发射机频谱纯度。 该器件的出色性能使其成为多通道、多标准宽带收发机的理想器件。 HMC830LP6GE可用作RF混频器的LO、高频数据转换器的时钟源,或者超低杂散应用的可调谐基准电压源。
HMC830LP6GE的其他功能包括:从0到9 dB(3 dB步进)的RF输出功率控制、输出静音功能和Δ-Σ型调制器。该器件的精确频率模式允许用户以0 Hz频率误差生成输出频率。
有关工作原理和寄存器映射信息,请参见“集成VCO的PLL - RF VCO”操作指南。
应用
蜂窝/4G基础设施
中继器和毫微微蜂窝
通信测试设备
有线电视设备
相控阵应用
极高数据速率无线电
实现无杂散性能的可调谐基准电压源

