HMC829
集成VCO的小数N分频PLL45 - 1050, 1400 - 2100, 2800 - 4200 MHz
制造商:ADI/AD
产品信息
优势和特点
RF带宽: 45 - 1050, 1400 - 2100, 2800 - 4200 MHz
鉴相器最高速率:100 MHz
超低相位噪声: -110 dBc/Hz (带内,典型值)
品质因数(FOM):-227 dBc/Hz
产品详情
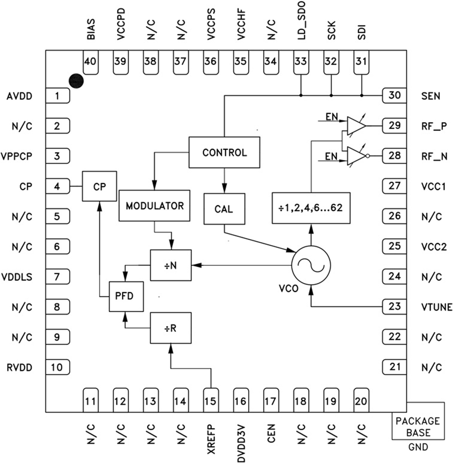
HMC829LP6GE是一款低噪声、宽带、小数N分频锁相环(PLL),集成基频范围为2800 MHz - 4200 MHz的压控振荡器(VCO ),以及集成式VCO输出分频器(1/2/4/6.../60/62分频),共同支持HMC829LP6GE产生范围为45 MHz至1050 MHz、1400 MHz至2100 MHz以及2800 MHz至4200 MHz的频率。 集成式相位检波器(PD)和Σ-Δ型调制器能以高达100 MHz的频率工作,实现更宽的环路带宽和出色的频谱性能。
有关工作原理和寄存器映射信息,请参阅“集成VCO的PLL – 微波VCO”操作指南。
应用
蜂窝/4G、WiMax基础设施
中继器和毫微微蜂窝
通信测试设备
有线电视设备
相控阵应用
替代DDS
极高数据速率无线电
电路图、引脚图和封装图
技术资料
应用案例
MAX828/MAX829开关电容电压逆变器:特性、应用与设计要点
2026-02-12
探索HMC591LP5/HMC591LP5E:6.0 - 9.5 GHz GaAs PHEM
2026-01-04
探索HMC656LP2E - HMC658LP2E宽频固定衰减器家族
2026-03-04
探索HMC462LP5/HMC462LP5E:2 - 20 GHz宽带低噪声放大器
2026-01-04
探索HMC454ST89/HMC454ST89E:高性能InGaP HBT放大器的卓越表现
2026-01-04
HMC415LP3E功率放大器特性介绍
2023-06-27
HMC-ALH445低噪音放大器
2022-04-19
HMC141 RF混频器
2022-04-19

