HMC828
集成VCO 的小数N分频PLL,采用SMT封装,1285 - 1,415 MHz
制造商:ADI/AD
产品信息
优势和特点
RF带宽: 1285 - 1,415 MHz
小数或整数模式
19位预分频器
超低相位噪声:-108 dBc/Hz(带内典型值)
品质因数(FOM):-227 dBc(整数)
24位步长,3 Hz分辨率(典型值)
200 MHz、14位参考路径输入
防周跳
40引脚6x6mm SMT封装: 36mm²
产品详情
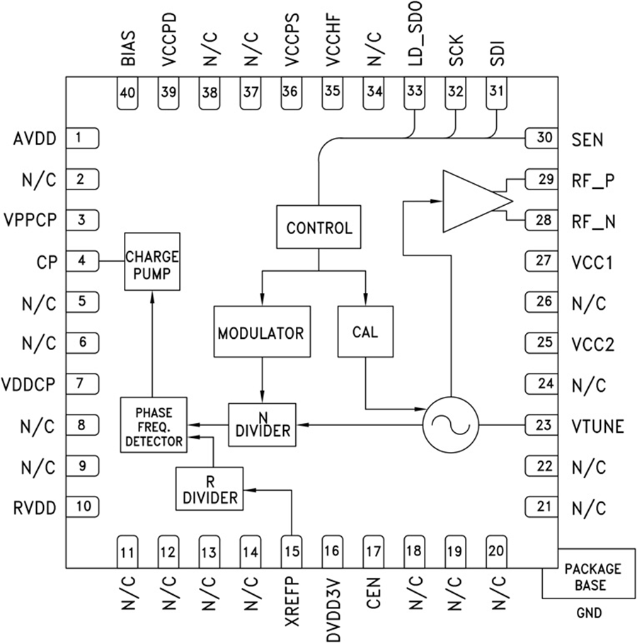
HMC828LP6CE是一款全功能小数N分频锁相环(PLL)频率合成器,集成压控振荡器(VCO)。 频率合成器由带有二分频输出的集成式低噪声VCO、用于低压VCO调谐的自动校准子系统、极低噪声数字相位检波器(PD)、精密控制电荷泵、低噪声参考路径分频器和小数分频器组成。
小数分频频率合成器采用高级Σ-Δ型调制器设计,支持超精细步长和低杂散产物。 相位检波器(PD)采用防周跳(CSP)技术,具有更快的跳频时间。 超低近载波相位噪声和低杂散特性还实现了更宽的环路带宽,从而具有更快的跳频和低微音特性。
有关工作原理和寄存器映射信息,请参阅集成“VCO的PLL – RF VCO”操作指南。
应用
蜂窝/4G基础设施
中继器和毫微微蜂窝
通信测试设备
有线电视设备
相控阵应用
替代DDS
极高数据速率无线电
电路图、引脚图和封装图
技术资料
应用案例
电子工程师必备:AD828 双路低功耗视频运算放大器的全面解析
2026-01-26
西门子S7-200 SMART/828d PLC数据采集、远程调试
2022-09-01
MAX828/MAX829开关电容电压逆变器:特性、应用与设计要点
2026-02-12
西门子S7-200 SMART/828d PLC数据采集、远程调试
2022-09-01
华为云 828 B2B 企业节:精选优惠助力企业降本增效
2023-09-27
从终端到云端,华为云 828 B2B 企业节加速中小企业数字化
2023-09-27
第三届828 B2B企业节启动!拓维信息携手华为构筑数智新通路
2024-08-30
西门子S7-200 SMART/828d PLC数据采集、远程调试
2022-09-01

