HMC824
集成VCO 的小数N分频PLL,采用SMT封装,780 - 870 MHz
制造商:ADI/AD
产品信息
优势和特点
RF带宽: 780 - 870 MHz
小数或整数模式
19位预分频器
超低相位噪声:-110 dBc/Hz(带内典型值)
品质因数(FOM):-227 dBc(整数)
24位步长,3 Hz分辨率(典型值)
200 MHz、14位参考路径输入
防周跳
40引脚6x6mm SMT封装: 36mm²
产品详情
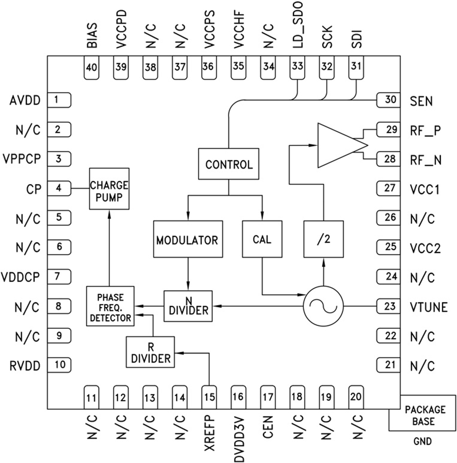
HMC824LP6CE是一款全功能小数N分频锁相环(PLL)频率合成器,集成压控振荡器(VCO)。 频率合成器由带有二分频输出的集成式低噪声VCO、用于低压VCO调谐的自动校准子系统、极低噪声数字相位检波器(PD)、精密控制电荷泵、低噪声参考路径分频器和小数分频器组成。
小数分频频率合成器采用高级Σ-Δ型调制器设计,支持超精细步长和低杂散产物。 相位检波器(PD)采用防周跳(CSP)技术,具有更快的跳频时间。 超低近载波相位噪声和低杂散特性还实现了更宽的环路带宽,从而具有更快的跳频和低微音特性。
有关工作原理和寄存器映射信息,请参见”集成VCO的PLL – RF VCO”操作指南。
应用
蜂窝/4G基础设施
中继器和毫微微蜂窝
通信测试设备
有线电视设备
相控阵应用
替代DDS
极高数据速率无线电
电路图、引脚图和封装图
技术资料
应用案例
自连科技ASK824智能管理后台上线:让照护更精细,管理更轻松
2025-11-14
单电源、轨到轨低功耗FET输入运算放大器AD824的特性与应用
2026-01-26
探索MAX823/MAX824/MAX825:5引脚微处理器监控电路的卓越性能
2026-01-24
数明半导体SiLM824x系列隔离双通道门级驱动器介绍
2023-08-15
探索HMC374/HMC374E低噪声放大器:高性能与紧凑设计的完美结合
2026-01-01
普源示波器DHO824输入阻抗设置:精准测量的关键步骤与实战技巧
2026-01-05
普源示波器DHO824输入阻抗设置的关键步骤技巧
2025-05-29
HMC-ALH435 低噪声放大器芯片,5 - 20 GHz 产品性能浅谈
2021-12-16

