HMC815B
GaAs MMIC I/Q上变频器,21 - 27 GHz
制造商:ADI/AD
产品信息
优势和特点
高转换增益: 12 dB
边带抑制: -20 dBc
2 LO至RF隔离: 10 dB
输出IP3: +27 dBm
32引脚5x5mm SMT陶瓷封装: 25mm²
产品详情
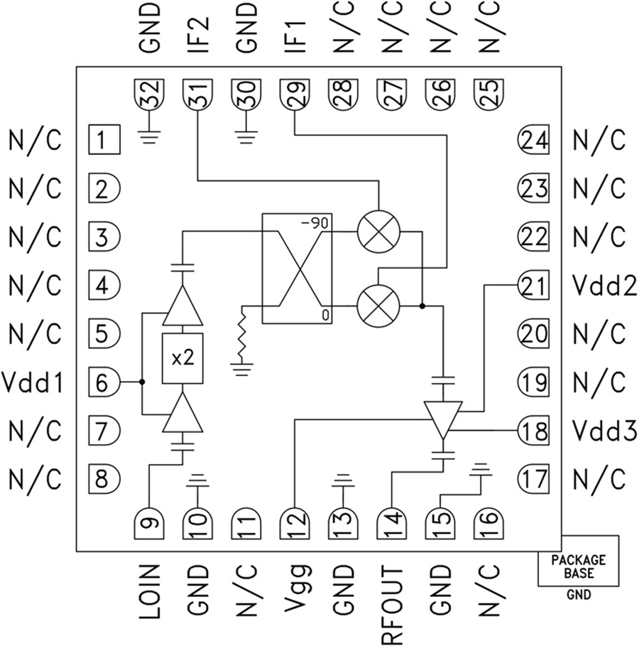
HMC815B是一款紧凑型GaAs MMIC I/Q上变频器,采用符合RoHS标准的无引脚SMT封装。 该器件提供12 dB的小信号转换增益和-20 dBc的边带抑制性能。 HMC815B采用驱动放大器工作,前接由有源x2倍频器驱动LO的I/Q混频器。 还提供IF1和IF2混频器输入,需通过外部90°混合选择所需的边带。 I/Q混频器拓扑结构则降低了干扰边带滤波要求。 HMC815B为混合型单边带上变频器的小型替代器件,它无需线焊,可以使用表贴制造技术。
应用
点对点和点对多点无线电
军用雷达、EW和ELINT
卫星通信
传感器
电路图、引脚图和封装图
应用案例
HMC347非反射交换芯片
2022-04-19
HMC906A功率放大器
2022-04-06
HMC-ALH435 低噪声放大器芯片,5 - 20 GHz 产品性能浅谈
2021-11-29
HMC7044B支持JESD204B和JESD204C的高性能、3.2GHz、14输出抖动衰
2025-04-16
HMC-ALH445-DIE 低噪声放大器芯片,18 - 40 GHz 产品详情
2021-11-29
HMC543ALC4B 22.5° MMIC 4位数字移相器,8-12GHz技术手册
2025-04-09
HMC-ALH444 产品详情浅谈
2021-11-29
HMC338LC3B次谐波混频器,采用SMT封装技术手册
2025-04-02

