HMC814LC3B
x2有源倍频器SMT,13 - 24.6 GHz Fout
制造商:ADI/AD
产品信息
优势和特点
高输出功率: +17 dBm
低输入功耗驱动: 0至+6 dBm
Fo隔离: >20 dBc(Fout = 19 GHz时)
100 kHz SSB相位噪声: -136 dBc/Hz
单电源: +5V (88mA)
12引脚3x3mm SMT封装: 9mm²
产品详情
HMC814LC3B是一款使用GaAs PHEMT技术的x2有源宽带倍频器,采用符合RoHS标准的无引脚SMT封装。 由+4 dBm信号驱动时,该倍频器在13至24.6 GHz范围内提供+17 dBm的典型输出功率。 在19 GHz频率下,Fo、3Fo和4Fo隔离大于20 dBc。 HMC814LC3B非常适合在点对点和VSAT无线电的LO倍频链中使用,与传统方法相比,可以减少器件数量。 100 kHz偏置时的低加性SSB相位噪声为-136 dBc/Hz,有助于保持良好的系统噪声性能。 HMC814LC3B采用符合RoHS标准的封装,无需线焊,可以使用表贴制造技术。
应用
时钟生成应用:SONET OC-192 和SDH STM-64
点对点和VSAT无线电
测试仪器仪表
军用最终用途
传感器
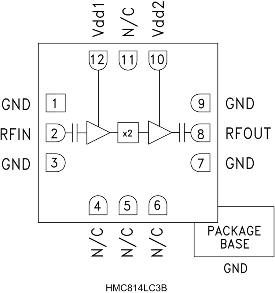
电路图、引脚图和封装图
应用案例
HMC587LC4B采用SMT封装的宽带VCO,带有缓冲放大器技术手册
2025-04-30
HMC586LC4B采用SMT封装的宽带VCO,带有缓冲放大器技术手册
2025-04-30
新唐科技M452LC3AE控制器简介
2020-02-17
HMC6380LC4B宽带MMIC VCO,带有缓冲放大器8.0-16.0GHz技术手册
2025-04-29
新唐科技M453LC3AE控制器简介
2020-02-17
HMC6475LC4B宽带MMIC VCO,带有缓冲放大器3.90-7.50GHz技术手册
2025-04-29
新唐科技M451LC3AE控制器简介
2020-02-17
新思科技发布蓝牙LE Audio LC3编解码器
2020-01-18

