HMC813LC4B
连续检波对数视频放大器(SDLVA),采用SMT封装,1 - 20 GHz
制造商:ADI/AD
产品信息
优势和特点
高对数范围: 55 dB
频率平坦度: ±1.5 dB
饱和输出功率: -7 dBm
快速上升/下降时间: 5/10 ns
单正电源: +3.3V
ESD灵敏度(HBM): 1A级
24引脚4x4mm SMT封装: 16mm²
产品详情
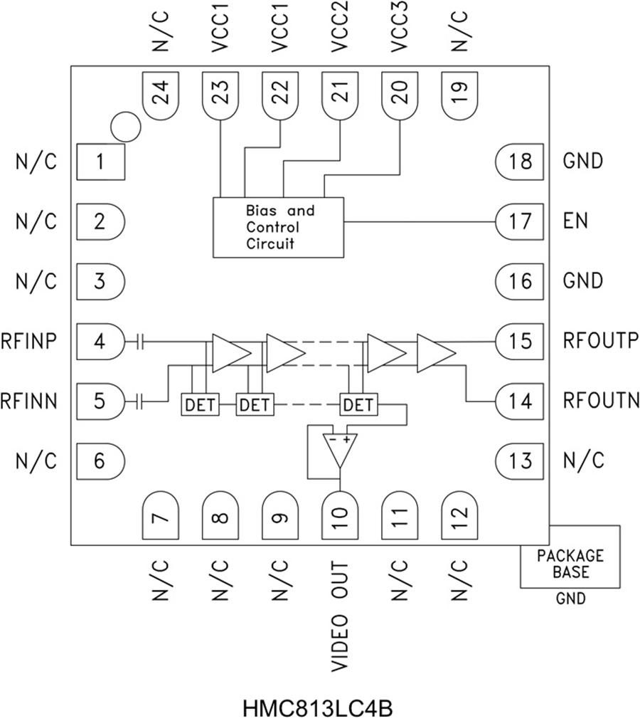
HMC813LC4B是一款连续检波对数视频放大器(SDLVA),工作频率范围为1至20 GHz。 HMC813LC4B提供55 dB的对数范围。 该器件提供5/10 ns的典型快速上升/下降时间。 HMC813LC4B对数视频输出斜率为15 mV/dB(典型值)。 最大恢复时间不到15 ns。 HMC813LC4B非常适合高速通道接收机应用,采用+3.3 V单电源供电,功耗仅为153 mA。 HMC813LC4B采用高度紧凑的4x4 mm SMT陶瓷封装,非常适合高速通道接收机应用。
应用
EW、ELINT和IFM接收机
DF雷达系统
ECM系统
宽带测试和测量
功率测量和控制电路
军事和太空应用
电路图、引脚图和封装图
应用案例
HMC732LC4B 压控振荡器的应用
2023-07-12
HMC634LC4驱动放大器介绍
2022-11-13
MAX705-MAX708,MAX813低成本、微处理器监控电路
2013-01-30
探索HMC442LC3B:17.5 - 25.5 GHz高效功率放大器
2026-01-01
深入剖析HMC441LC3B:6 - 18 GHz高效GaAs pHEMT MMIC中功率放大器
2026-01-01
探索HMC383LC4:12 - 30 GHz GaAs PHEMT MMIC中功率放大器
2026-01-01
21 - 29 GHz SMT GaAs PHEMT MMIC低噪声放大器HMC341LC3B详解
2025-12-31
探索HMC342LC4:13 - 25 GHz GaAs PHEMT MMIC低噪声放大器
2025-12-31

