HMC8113
2 GHz至6 GHz,500 W功率放大器
制造商:ADI/AD
产品信息
优势和特点
2 GHz至6 GHz
小信号增益:85 dB(典型值)
典型饱和RF输出功率(POUT):57 dBm
61 dB数字衰减器(DATT),具有1 dB LSB
标准5U 19”机架机壳(符合EIA-310D)
工作温度范围为+10°C至+50°C
状态和控制接口5V TTL兼容
8位SPI衰减器控制
前面板上配有用户可更换的空气滤波器
过温和过VSWR保护
报警状态通过前面板LED和控制连接器通信
通过由前至后气流实现空气冷却(2个后安装风扇)
有源RF密封电路
控制PWA涂层符合标准环保要求
按照MIL-S-901D符合A级高撞击性冲击要求
符合MIL-STD-167-1A抗振性要求
产品详情
HMC8113是一款500 W氮化镓(GaN、单芯片微波集成电路(MMIC)功率放大器(PA)模块,工作频率范围为2 GHz至6 GHz,采用EIA-310D标准5U、19”机架安装机壳封装。该放大器通常提供85 dB小信号增益和57 dBm饱和RF输出功率。该放大器采用220 V交流电源的功耗为3 kW。隔直RF输入/输出匹配至50 Ω,使用方便。
应用
测试与测量设备
电子战(EW)
商用和军事雷达
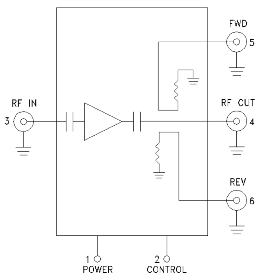
电路图、引脚图和封装图
在线购买
型号:HMC8113
描述:-
应用案例
ADL8113 10MHz至12GHz低噪声放大器,带有10MHz至 14GHz旁路开关技术手册
2025-05-15
运动控制核芯片HMC8043A、HMC8045A性能特点及适用领域
2021-03-09
ADL8113 10MHz至12GHz低噪声放大器,带10MHz至14GHz旁路开关技术手册
2025-04-08
探索HMC656LP2E - HMC658LP2E宽频固定衰减器家族
2026-03-04
探索 HMC652LP2E - HMC655LP2E 宽带固定衰减器家族
2026-03-05
DS8113智能卡模拟接口评估套件使用说明
2008-07-25
DS8113智能卡模拟接口评估套件使用说明
2009-04-24
DS8113智能卡模拟接口评估套件使用说明
2009-04-25

