HMC807
集成VCO 的小数N分频PLL,采用SMT封装,12.4 - 13.4 GHz
制造商:ADI/AD
产品信息
优势和特点
RF带宽: 12.4至13.4 GHz
小数或整数模式
超低相位噪声 12.9 GHz;50 MHz基准频率 -95/-99 dBc/Hz(10 kHz,小数/整数) -132 dBc/Hz(1 MHz,开环)
24位步长,3 Hz分辨率(典型值)
参考路径输入: 225 MHz
FSK调制与防周跳模式
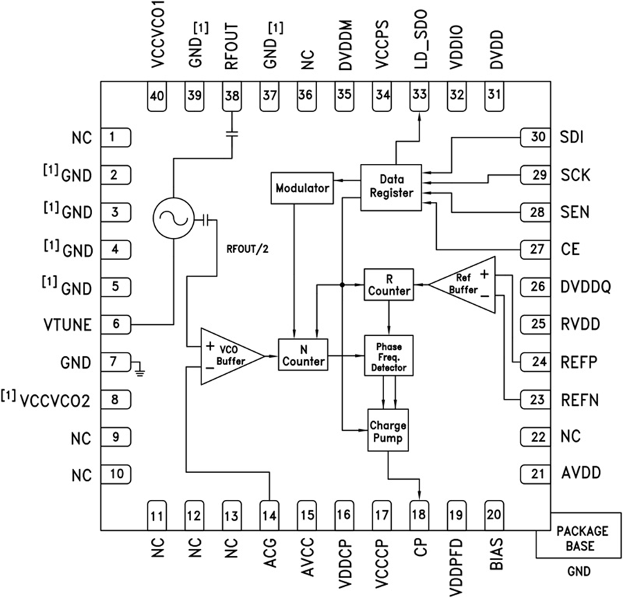
40引脚6x6mm SMT封装: 36mm²
产品详情
HMC807LP6CE是一款集成压控振荡器(VCO)的全功能小数N分频锁相环(PLL)。 输入基准频率范围为100 kHz至220 MHz,而小数PLL中的Δ-Σ型调制器设计支持超精细步长和极低杂散产物。 高度集成的结构提供温度、冲击和工艺变化情况下出色的相位噪声性能。 HMC807LP6CE采用无引脚QFN 6 x 6 mm表贴封装。 HMC807LP6CE输出功率典型值为8 dBm,适合驱动许多Hittite高线性度和I/Q混频器产品的LO端口。
有关工作原理和寄存器映射信息,请参阅“集成VCO的PLL – 微波VCO”操作指南。
应用
VSAT无线电
点对点/多点无线电
测试设备与工业控制
军用最终用途
相控阵应用

