HMC802A
20 dB 1位数字正控制衰减器,采用SMT封装,DC - 10 GHz
制造商:ADI/AD
产品信息
优势和特点
步长误差:±0.6 dB(典型值)
低插入损耗: 3 dB
高IP3: +55 dBm
单控制线路
TTL/CMOS兼容控制
+5V单电源
16引脚3x3mm SMT封装: 9mm²
产品详情
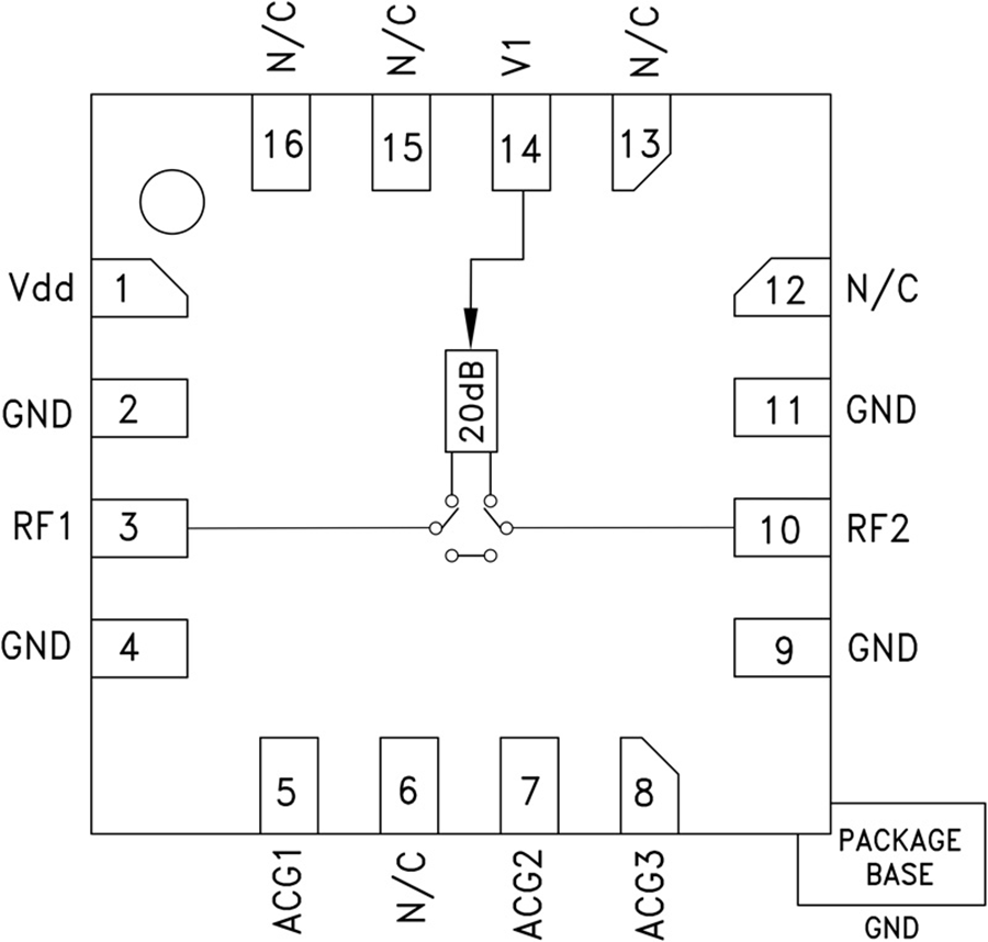
HMC802A是一款宽带双向1位GaAs IC数字衰减器,采用低成本无引脚表贴封装。 这款单正控制线路数字衰减器采用片外AC接地电容器,在接近直流的情况下工作,这一特点使得它非常适合各种RF和IF应用。 在DC至10 GHz频率下运行,插入损耗小于3 dB典型值,在±0.6 dB(典型值)时,衰减精度非常出色。 衰减器还具有+55 dBm高IP3。 一个TTL/CMOS控制输入用于选择衰减状态,需+5V Vdd单偏置。
应用
测试设备和传感器
ISM, MMDS, WLAN, WiMAX, WiBro
微波无线电和VSAT
蜂窝基础设施
电路图、引脚图和封装图
应用案例
HMC802ALP3E 20dB 1位数字正控制衰减器,采用SMT封装,DC-10GHz技术手册
2025-04-24
HMC8015动态升级型功率计的性能特点及应用优势分析
2021-01-29
TDK-EPC推出B58101A802A轻型、全塑料车用的油/液温传感器
2011-01-29
基于HMC1022和HMC1021三轴磁阻传感器模块设计
2018-02-06
hmc5883l的特点及优点_HMC5883L磁力计校准方法
2018-03-08
基于HMC704LP4的一种X波段跳频源设计方案
2013-10-22
HMC7748超高动态范围宽带PA模块的特点及应用
2019-06-06
hmc5883l三轴电子罗盘传感器连接arduino
2018-03-08

