HMC799
DC - 700 MHz,10 kΩ跨阻放大器,采用SMT封装
制造商:ADI/AD
产品信息
优势和特点
跨阻:10 kΩ
极低噪声: 150nA输入RMS噪声(700 MHz带宽)
模拟带宽:700 MHz
宽动态范围: +65 dB
低功耗: 70mA,采用+5V单电源
16引脚3x3mm SMT封装: 9mm²
产品详情
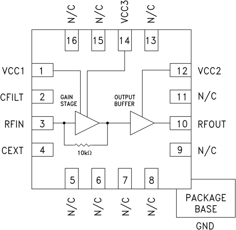
HMC799LP3E是一款DC至700 MHz跨阻放大器,设计用于采用光电转换模式工作的光电激光传感器应用、FDDI接收机和接收机系统。 该放大器提供的单端输出电压与其输入端口施加的电流成正比。 该电流通常由光电二极管提供。 HMC799LP3E采用+5V单电源工作,具有极低的输入端折合噪声和超过65 dB的极高电气输入动态范围。 10 kΩ或80 dB-Ω跨阻增益在较高数据速率下提供极高的灵敏度。
HMC799LP3E输出内部匹配50 Ω。 无需外部匹配。 HMC799LP3E提供出色的温度增益和输出功率稳定性,同时只需极少的外部偏置元件。
应用
激光传感器
FDDI接收机
CATV FM模拟接收机
宽带增益模块
低噪声RF应用
电路图、引脚图和封装图
应用案例
探索ACPL - C799U:±50 mV光隔离Sigma - Delta调制器的卓越性能与应用
2025-12-30
确定了 iphone14价格799美元起 iphone14plus价格899美元起
2022-09-08
HMC-ALH444 产品详情浅谈
2021-11-29
CHERRYMV3.0键盘发布:全新VIOLA轴售799元 研发 VIOLA 开关
2021-02-22
智米智能暖风机开卖 售价799元
2020-01-10
小米手表Color开售 售价799元
2020-01-03
小米CC9 Pro最低799元就能入手 以旧换新限时活动上线
2019-11-27
小米生态链推出70迈智能后视镜青春版1S 售价799元
2019-10-31

