HMC795
集成VGA的SiGe宽带直接正交调制器,采用SMT封装,50 - 2800 MHz
制造商:ADI/AD
产品信息
优势和特点
高线性度OIP3: +25 dBm
高输出功率:+10 dBm输出P1dB
高载波抑制: 55 dBc
高边带抑制: 53 dBc
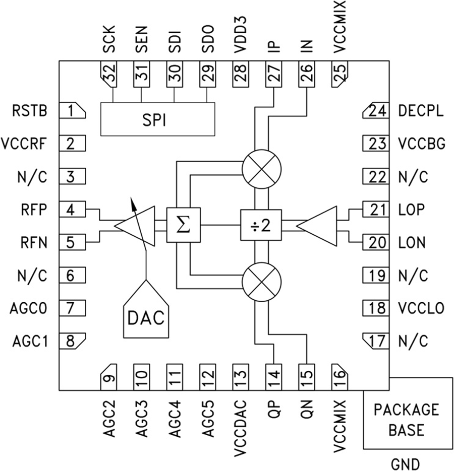
读/写串行端口接口(SPI)
SSPI和6位并行端口可编程32 dB增益控制
DC至440 MHz基带输入
32引脚5x5mm SMT封装: 25mm²
产品详情
HMC795LP5E是一款可变增益直接正交调制器,适用于50 - 2800 MHz的数字调制应用,包括: 蜂窝/3G、宽带无线接入和ISM电路。 该调制器采用5x5mm (LP5) SMT QFN封装,具有很高的集成度、极低的载波馈通,是更为复杂的双上变频架构的低成本替代解决方案。
LO需-9至+3 dBm,可用差分或单端方式驱动。 基带输入支持DC至440 MHz的调制输入。
差分RF输出端口由6位数字控制可变增益放大器驱动,标称提供高达32 dB、线性度极高的增益控制,步长为0.5 dB。 该器件可在VGA动态范围内保持低载波抑制。 增益控制接口支持三线式串行输入或6位并行字。 此外,增益控制可通过SPI调节查找表进行修改,从而以低至0.1 dB的步长控制增益,并缩小范围,或者调节单个增益步长来实现系统线性度。
Applications
UMTS、GSM或CDMA基站
固定无线或WLL
ISM收发器,900和2400 MHz
GMSK、QPSK、QAM、SSB调制器
蜂窝/3G和WiMAX/4G
微波IF

