HMC794
2 GHz低噪声可编程分频器(N =1至4),采用SMT封装
制造商:ADI/AD
产品信息
优势和特点
低噪底: -163 dBc/Hz(10 MHz失调时) -160 dBc/Hz(100 MHz失调时)
可编程分频器,N =1、2、3或4
输入频率范围:200 MHz至2 GHz
50%占空比输出
输出功率高达+10 dBm
休眠模式: 功耗<1 μA
16引脚3x3mm SMT封装: 9mm²
产品详情
HMC794LP3E是一款SiGe BiCMOS低噪声可编程分频器,采用3x3mm无引脚表贴封装。 在200 MHz至2 GHz 输入频率范围内,该电路可编程并采用N = 1至N = 4分频。 高电平输出功率(高达10 dBm)、极低SSB相位噪声和50%占空比使该器件非常适合低噪声时钟产生、LO生成和LO驱动应用。 可配置的偏置控制可将功耗降低20%。
应用
LO生成,低噪底
时钟发生器
混频器LO驱动
军事应用
测试设备
传感器
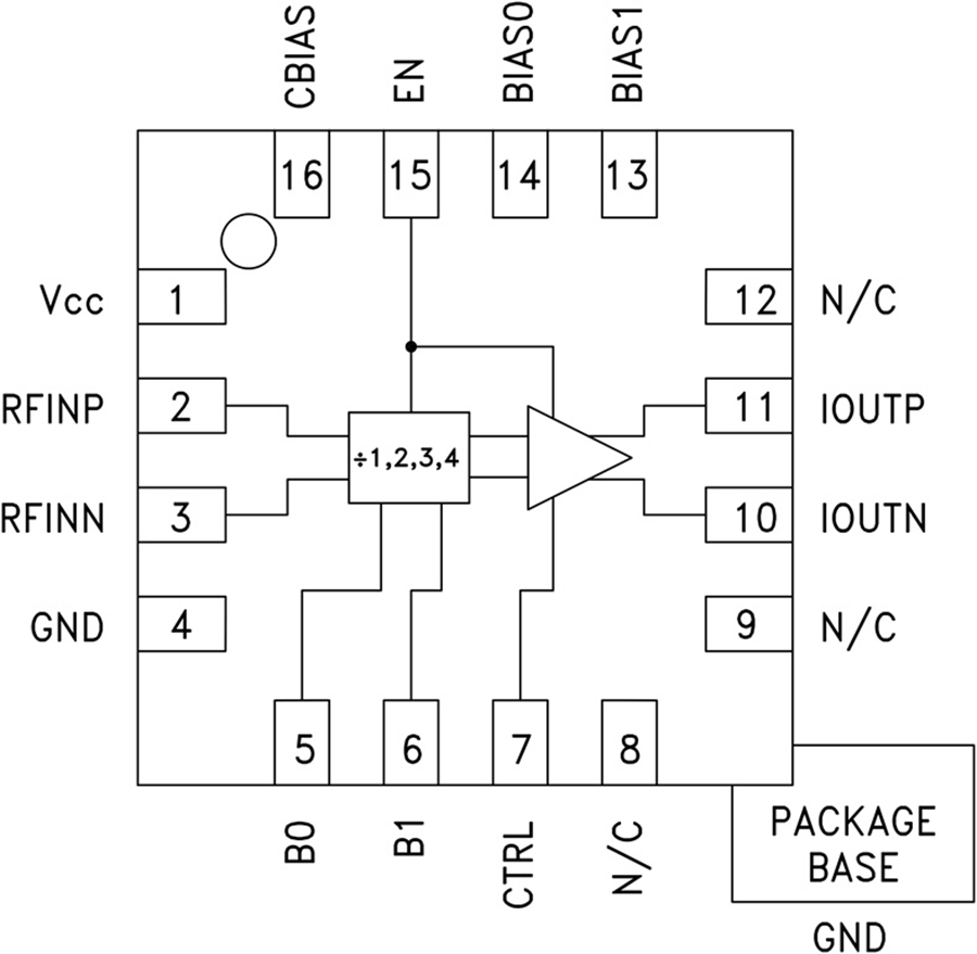
电路图、引脚图和封装图
应用案例
LMV793 单通道、88MHz、低噪声、1.8V、CMOS输入、解补偿运算放大器技术手册
2025-05-21
LMV794 双通道 88MHz 低噪声 1.8V CMOS 输入、解补偿运算放大器技术手册
2025-05-20
探索 HMC376LP3/HMC376LP3E:700 - 1000 MHz 的低噪声放大器
2026-01-01
探索HMC374/HMC374E低噪声放大器:高性能与紧凑设计的完美结合
2026-01-01
联想A6Note在印度开始销售 售价约合人民币794元
2019-09-13
探索HMC591LP5/HMC591LP5E:6.0 - 9.5 GHz GaAs PHEM
2026-01-04
TPS794系列 具有启用功能的 250mA 低压差稳压器数据手册
2025-03-13
探索HMC462LP5/HMC462LP5E:2 - 20 GHz宽带低噪声放大器
2026-01-04

