HMC786
集成LO放大器的BiCMOS混频器,0.7 - 1.1 GHz
制造商:ADI/AD
产品信息
优势和特点
高输入IP3: +40 dBm
7.5 dB转换损耗(0 dBm LO)
针对高端LO输入优化
可调电源电流
24引脚4x4mm QFN封装: 16mm²
产品详情
HMC786LP4E是一款集成LO放大器的高动态范围无源MMIC混频器,采用4x4 SMT QFN封装,工作频率范围为0.7至1.1 GHz。 LO驱动为0 dBm时,3G和4G GSM/CDMA应用具有+40 dBm的出色输入IP3下变频性能。 采用1dB (+25 dBm)输入压缩时,RF端口支持各种输入信号电平。 转换损耗为7.5 dB(典型值)。 高达250 MHz的IF频率响应可满足GSM/CDMA发射或接收频率计划要求。 HMC786LP4E针对0.7 - 1.1 GHz RF频段高端LO频率计划进行了优化,并与HMC686LP4E引脚兼容。
应用
蜂窝/3G和LTE/WiMAX/4G
基站和中继器
GSM、CDMA和OFDM
发射器和接收机
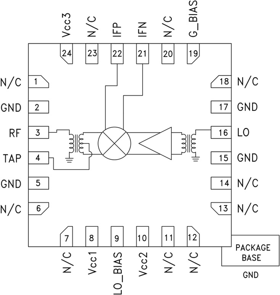
电路图、引脚图和封装图
应用案例
TPS786系列 具有使能功能的 1.5A 低压差稳压器数据手册
2025-03-13
2023年中国的智能照明规模将达到786亿元,市场前景可期
2021-03-29
HMC544AETR低成本SPDT交换机应用介绍
2023-05-31
AIMB-786
2022-06-02
研华19英寸4U上架式工控机IPC-510MB内置AIMB-786G2工控主板配置i9-9900、i7-8700、i7-9700
2022-06-02
高速利器:HMC674LC3C/HMC674LP3E 9.3 GHz 锁存比较器深度剖析
2026-01-06
9.3 GHz 锁存比较器 HMC674LC3C/HMC674LP3E:性能与应用全解析
2026-01-06
探索HMC591LP5/HMC591LP5E:6.0 - 9.5 GHz GaAs PHEM
2026-01-04

