HMC785
集成LO放大器的BiCMOS混频器,1.7 - 2.2 GHz
制造商:ADI/AD
产品信息
优势和特点
高输入IP3: +38 dBm
8 dB转换损耗(0 dBm LO)
针对低端LO输入优化
可调电源电流
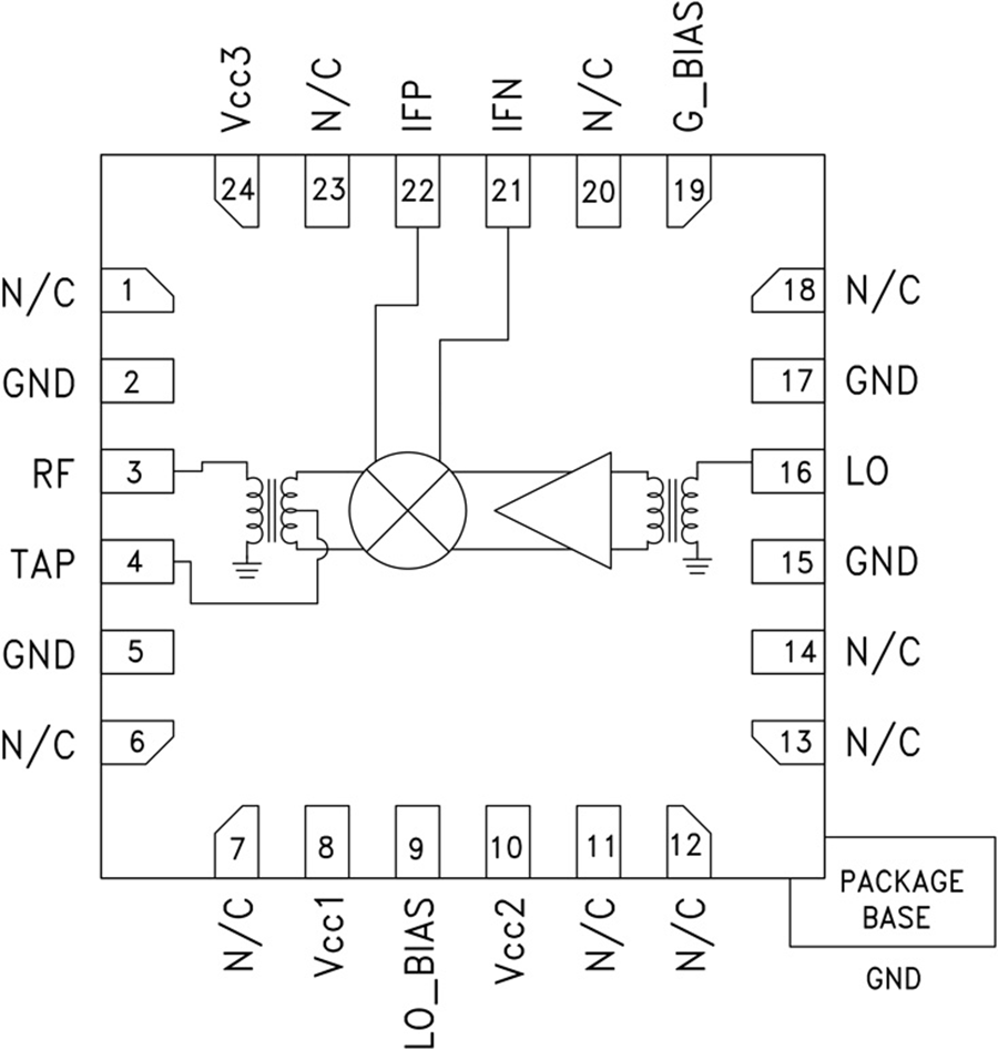
24引脚4x4mm QFN封装: 16mm²
产品详情
HMC785LP4E是一款集成LO放大器的高动态范围无源MMIC混频器,采用4x4 SMT QFN封装,工作频率范围为1.7至2.2 GHz。 LO驱动为0 dBm时,3G和4G GSM/CDMA应用具有+38 dBm的出色输入IP3下变频性能。 采用1dB (+26 dBm)输入压缩时,RF端口支持各种输入信号电平。 转换损耗为8 dB(典型值)。 高达300 MHz的IF频率响应可满足GSM/CDMA发射或接收频率计划要求。 HMC785LP4E针对1.7 - 2.2 GHz RF频段低端LO频率计划进行了优化,并与HMC685LP4E引脚兼容。
应用
蜂窝/3G和LTE/WiMAX/4G
基站和中继器
GSM、CDMA和OFDM
发射器和接收机

