HMC778
集成VCO 的小数N分频PLL,采用SMT封装,9.6 - 10.8 GHz
制造商:ADI/AD
产品信息
优势和特点
RF带宽: 9.6 GHz至10.8 GHz
小数或整数模式
超低相位噪声10.2 GHz;50 MHz(参考值)-106 / -102 dBc/Hz(10 kHz,小数/整数)-140 dBc/Hz(1 MHz,开环)
品质因数(FOM)-230 / -227 dBc/Hz(小数/整数)
350 MHz,14位参考路径输入
频率和相位调制
集成扫频仪
触发跳频
外部触发
40引脚6 x 6 mm SMT封装: 36 mm²
产品详情
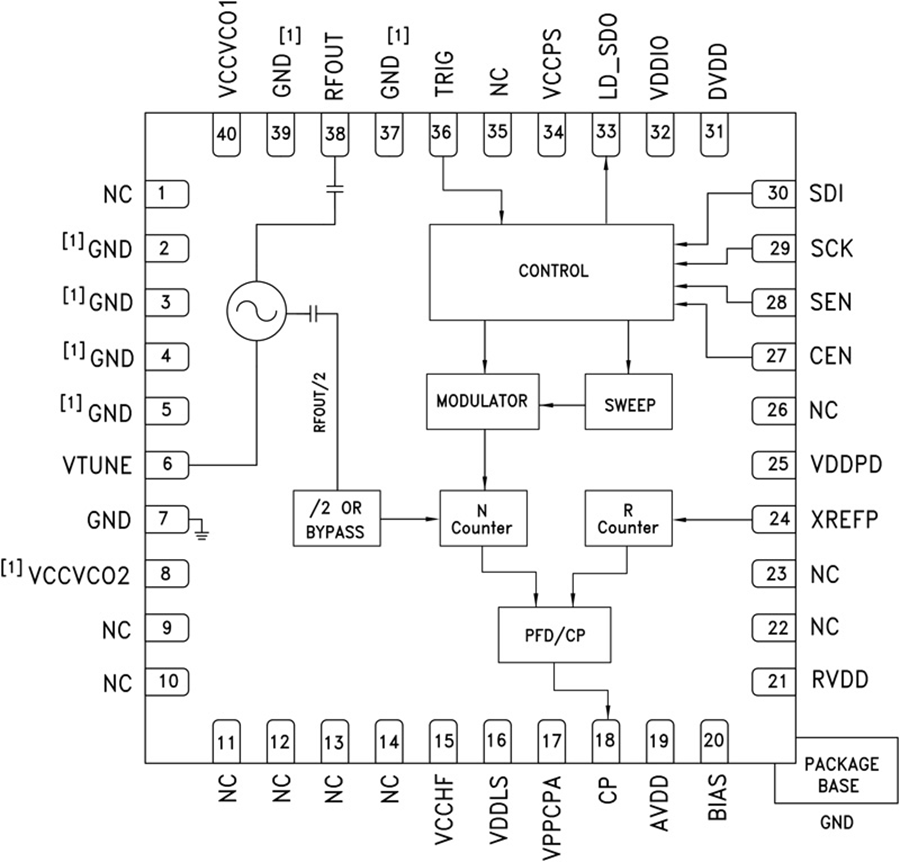
HMC778LP6CE是一款集成电压控制振荡器(VCO)的全功能小数N分频锁相环(PLL)频率合成器。 输入参考频率范围为DC至350 MHz,同时采用小数频率合成器的高级Σ-Δ型调制器设计具有超精细步长和极低杂散。 高度集成的结构提供温度、冲击和工艺变化情况下出色的相位噪声性能。 此外,HMC778LP6CE还提供扫频和调制、外部触发、双缓冲、精确频率控制、相位调制等特性。 HMC778LP6CE采用无引脚QFN 6 x 6 mm表贴封装。
有关工作原理和寄存器映射信息,请参阅“集成VCO的PLL – 微波 VCO”操作指南。
应用
VSAT无线电
微波点对点无线电
测试设备与工业控制
军用最终用途
相控阵应用
FMCW雷达系统
电路图、引脚图和封装图
应用案例
探索HMC374/HMC374E低噪声放大器:高性能与紧凑设计的完美结合
2026-01-01
荣耀员工与高通团队深度交流,共同促进骁龙778G新机使用体验
2021-07-07
从天玑出坑!荣耀50和骁龙778G的相遇:虽然迟到但绝不缺席
2021-06-24
HMC284AMS8GE非反射开关SMT介绍
2022-11-07
采用骁龙778G Plus 5G移动平台的小米Civi 1S发布
2022-04-28
小米Civi 1S搭载骁龙778G Plus移动平台带来强大性能和影像实力
2022-04-28
相机公司名号实锤,骁龙778G旗舰影像特性,一键生成专业大片
2021-07-02
搭载骁龙778G Plus 5G移动平台的小米Civi 1S
2022-04-25

