HMC767
集成VCO 的小数N分频PLL,采用SMT封装,8.45 - 9.55 GHz
制造商:ADI/AD
产品信息
优势和特点
RF带宽: 8.45 GHz至9.55 GHz
小数或整数模式
超低相位噪声9.0 GHz;50 MHz(参考值)-107 / -102 dBc/Hz(10 kHz,小数/整数)-138 dBc/Hz(1 MHz,开环)
品质因数(FOM) -230 / -227 dBc/Hz(小数/整数)
24位步长,分辨率3 Hz(典型值)
350 MHz,14位参考路径输入
频率和相位调制
集成扫频仪
触发跳频
外部触发
40引脚6 x 6 mm SMT封装: 36 mm²
产品详情
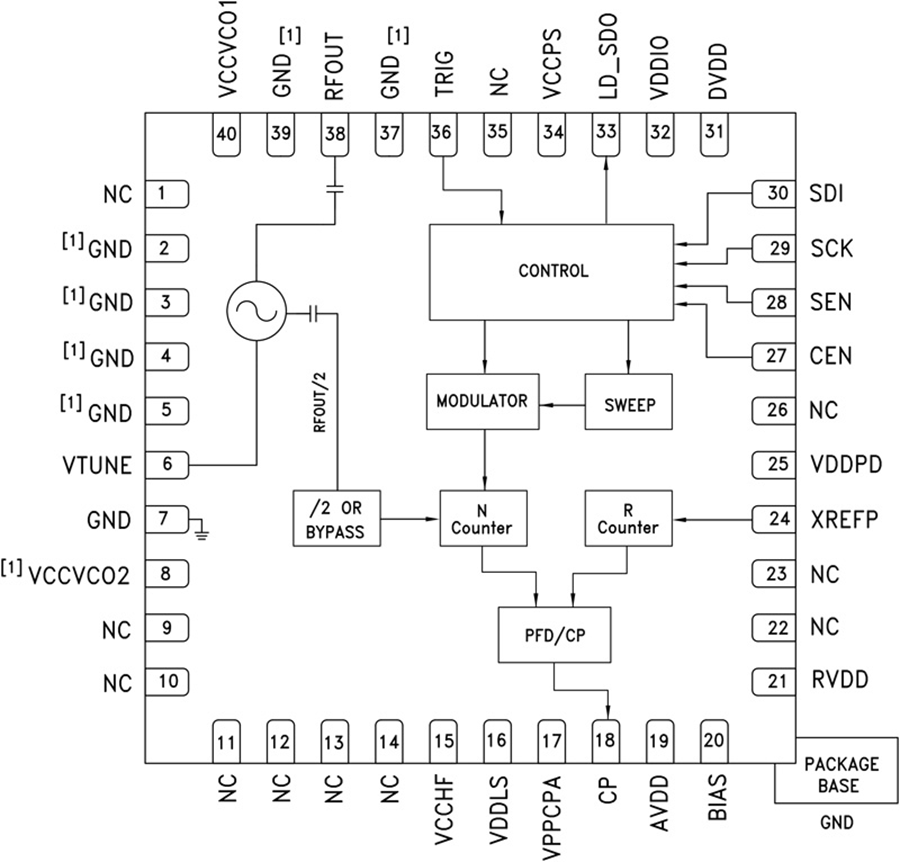
HMC767LP6CE是一款集成电压控制振荡器(VCO)的全功能小数N分频锁相环(PLL)频率合成器。 输入参考频率范围为DC至350 MHz,同时采用小数频率合成器的高级Σ-Δ型调制器设计具有超精细步长和极低杂散。 高度集成的结构提供温度、冲击和工艺变化情况下出色的相位噪声性能。 此外,HMC767LP6CE还提供扫频和调制、外部触发、双缓冲、精确频率控制、相位调制等特性。 HMC767LP6CE采用无引脚QFN 6 x 6 mm表贴封装。
有关工作原理和寄存器映射信息,请参阅“集成VCO的PLL – 微波 VCO”操作指南。
应用
VSAT无线电
微波点对点无线电
测试设备与工业控制
军用最终用途
相控阵应用
FMCW雷达系统
电路图、引脚图和封装图
应用案例
基于HMC1022和HMC1021三轴磁阻传感器模块设计
2018-02-06
基于P87LPC767单片机和MAX1758的锂离子电池充放电管理电路
2020-10-04
hmc5883l的特点及优点_HMC5883L磁力计校准方法
2018-03-08
基于HMC704LP4的一种X波段跳频源设计方案
2013-10-22
hmc5883l三轴电子罗盘传感器连接arduino
2018-03-08
Han® ES Press HMC连接器能够无需工具即可进行快速安装
2018-12-06
基于HMC792LP4E的DC-6GHz数字衰减设计方案
2010-04-13
HMC1512带温度补偿的位置检测电路
2011-12-17

