HMC764
集成VCO 的小数N分频PLL,采用SMT封装,7.3 - 8.2 GHz
制造商:ADI/AD
产品信息
优势和特点
RF带宽: 7.3至8.2 GHz
小数或整数模式
超低相位噪声 7.8 GHz;50 MHz(参考值) -98/-101 dBc/Hz(10 kHz,小数/整数) -140 dBc/Hz(1 MHz,开环)
24位步长,3 Hz分辨率(典型值)
参考路径输入: 225 MHz
FSK调制和周跳 预防模式
40引脚6x6mm SMT封装: 36mm²
产品详情
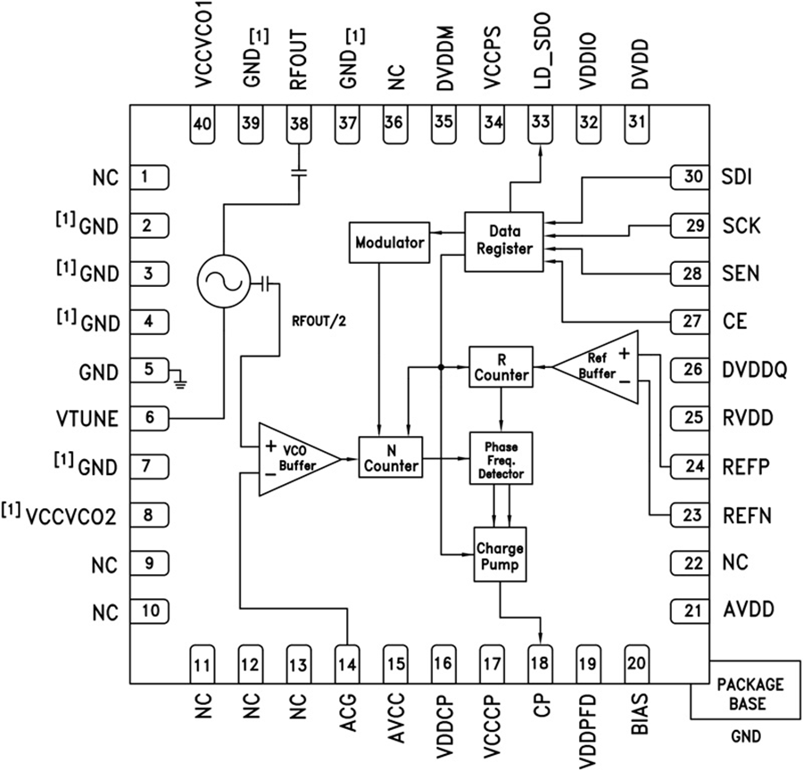
HMC764LP6CE是一款集成电压控制振荡器(VCO)的全功能小数N分频锁相环(PLL)。 输入基准频率范围为100 kHz至220 MHz,而小数PLL中的Δ-Σ型调制器设计支持超精细步长和极低杂散产物。 高度集成的结构提供温度、冲击和工艺变化情况下出色的相位噪声性能。 HMC764LP6CE采用无引脚QFN 6 x 6 mm表贴封装。 输出功率为15 dBm(典型值),使HMC764LP6CE非常适合驱动许多Hittite高线性度和I/Q混频器产品的LO端口。
有关工作原理和寄存器映射信息,请参阅“集成VCO的PLL – 微波 VCO”操作指南。
应用
VSAT无线电
点对点/多点无线电
测试设备与工业控制
军用最终用途
相控阵应用

