HMC759
0.25dB LSB 7位数字衰减器,采用SMT封装,10 - 300 MHz
制造商:ADI/AD
产品信息
优势和特点
0.25 dB LSB步进至31.75 dB
上电状态选择
高输入IP3: +40 dBm
TTL/CMOS兼容、串行控制
出色的状态和步长精度:±0.25 dB
+5V单电源
16引脚3x3mm SMT封装: 9mm²
产品详情
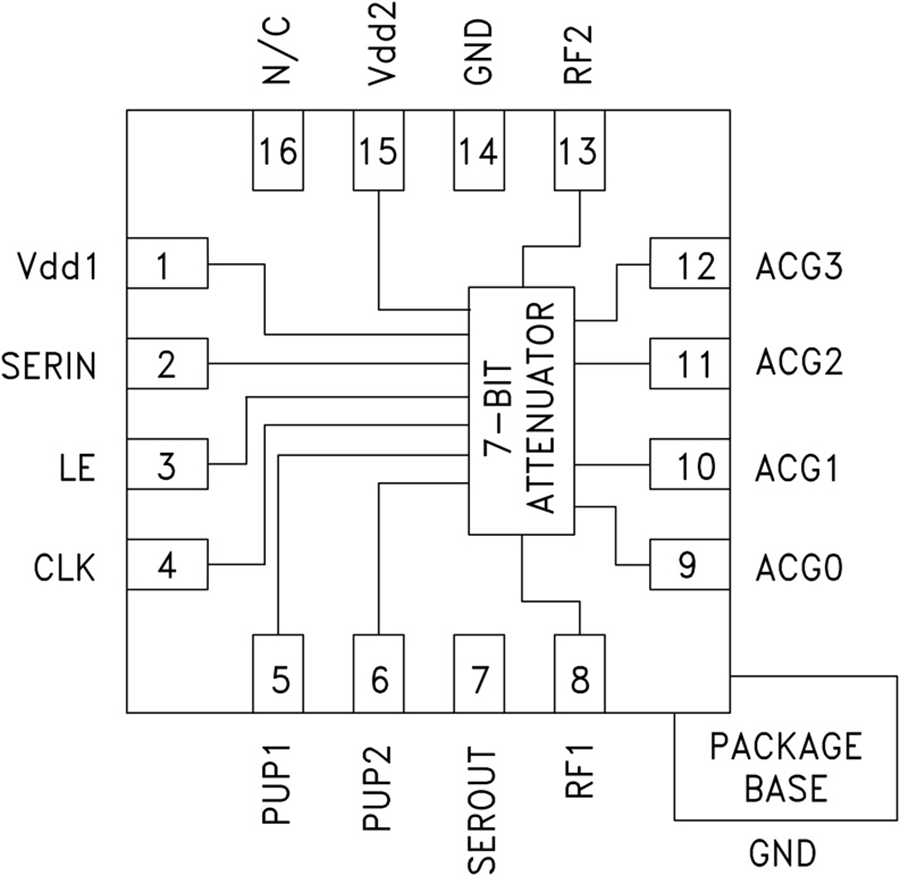
HMC759LP3E是一款7位BiCMOS数字衰减器,采用低成本无引脚SMT封装。 这款多功能数字衰减器采用针对接近直流操作的片外交流接地电容,适合各种RF和IF应用。 控制接口兼容CMOS/TTL,可接受三线式串行输入。 HMC759LP3E具有用户可选上电状态和串行输出端口,可级联其他Hittite串行控制组件。 HMC759LP3E采用符合RoHS标准的3x3 mm QFN无引脚封装,占用面积仅为9 mm²。
应用
蜂窝/3G基础设施
WiBro / WiMAX / 4G
微波无线电和VSAT
测试设备和传感器
IF和RF应用

