HMC750
12.5 Gbps限幅放大器,采用SMT封装
制造商:ADI/AD
产品信息
优势和特点
支持高达12.5 Gbps数据速率
差分增益: 44 dB
2mV p-p输入灵敏度
3 dB带宽: 11 GHz
集成直流失调校正
可调差分饱和O/P电压摆幅可达880 mVp-p
+5V单电源
极低RMS抖动降低
24引脚4x4mm SMT封装: 16mm²
产品详情
HMC750是一款限幅放大器,支持高达12.5 Gbps的数据传输速率。 该放大器可在各种输入电压电平范围内工作,提供恒定的差分输出摆幅。 HMC750还具有输出电平控制引脚VC1,,可用于损耗补偿或信号电平优化。 差分输出信号摆幅可调节至880 mVp-p。高于3 mVp-p的输入信号可放大至880 mVp-p差分饱和信号。
所有HMC750单端输入信号通过50欧姆片内端接至+5V,可采用交流或直流耦合。 HMC750输出支持差分或单端操作。 输出可直接连接至50 ohm端接系统(以+5V为基准),同时如果端接系统50欧姆接至非+5V电压,可使用隔直电容。 HMC750采用+5V DC单电源供电,采用符合RoHS标准的4x4 mm SMT塑料封装。
应用
OC-192接收机
10 Gbps以太网接收机
10 Gbps光纤通道接收机
宽带测试和测量
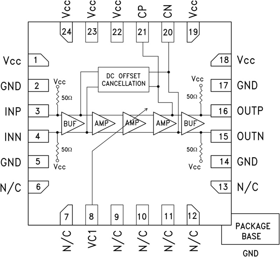
电路图、引脚图和封装图
应用案例
基于HMC792LP4E的DC-6GHz数字衰减设计方案
2010-04-13
HMC1512带温度补偿的位置检测电路
2011-12-17
磁阻传感器HMC102在车辆检测中的应用
2011-12-20
ADI推出高度集成Rx/Tx转换器HMC8100和HMC8200了解一下
2018-05-23
基于AT91RM9200和HMC1022芯片实现智能交通车辆检测系统的设计
2020-11-01
再谱新篇|美格智能SLM750模组连获日本三大运营商权威认证
2022-11-02
750W高功率密度AC/DC医疗级电源——LOF750-20Bxx系列介绍
2022-11-02
贸泽电子开售UnitedSiC 750V UJ4C/SC SiC FET
2022-10-28

