HMC749
具有复位和可编程输出电压的26 GHz快速上升时间T型触发器
制造商:ADI/AD
产品信息
优势和特点
支持时钟频率: 可达26 GHz
差分和单端操作
传播延迟: 95 ps
快速上升和下降时间: 18 / 17ps
可编程差分输出电压摆幅: 600 - 1100 mV
低功耗: 270 mW(典型值)
单电源: +3.3V
16引脚陶瓷3x3mmSMT封装: 9mm²
产品详情
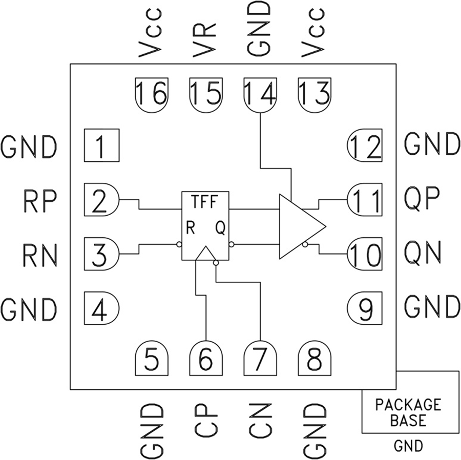
HMC749LC3C是一款集成复位功能的T型触发器,支持高达26 GHz的时钟频率。 正常工作时,若复位引脚未置位,则输出将在时钟正边沿切换先前的状态。 这样,可实现时钟输入的二分频。 对复位引脚进行置位可迫使Q输出低电平,无论时钟边沿状态如何(异步复位置位)。 反转时钟输入便可支持负边沿触发应用。 HMC749LC3C还具有输出电平控制引脚VR,可用于损耗补偿或信号电平优化。
所有HMC749LC3C输入信号通过50Ω片内端接至Vcc,可采用交流或直流耦合。输入或输出可直接连接至50 Vc端接系统,同时如果端接系统为50Ω接地,可使用隔直电容。 HMC749LC3C采用+3.3V DC单电源供电,采用符合RoHS标准的3x3 mm SMT陶瓷封装。
应用
串行数据传输速率高达26 Gbps
高速分频器(高达26 GHz)
宽带测试和测量
RF ATE应用

