HMC748
13 Gbps Fast Rise Time 2:1 Selector with Programmable Output Voltage
制造商:ADI/AD
产品信息
优势和特点
Supports High Data Rates: up to 13 Gbps
Single-Ended Inputs
Differential & Single-Ended Outputs
Propagation Delay: 125 ps
Fast Rise & Fall Times: 22 / 22 ps
Programmable DifferentialOutput Voltage Swing: 600 - 1200 mV
Low Power Consumption: 250 mW typ.
Single Supply: +3.3V
16 Lead Ceramic 3x3mm SMT Package: 9mm²
产品详情
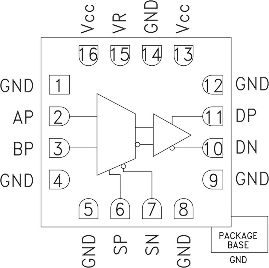
The HMC748 is a 2:1 Selector designed to support data transmission rates of up to 13 Gbps, and selector port operation of up to 13 GHz. The selector routes one of the two single-ended inputs to the differential output upon assertion of the proper select port. The HMC748 also features an output level control pin, VR, which allows for loss compensation or for signal level optimization.
All single-ended input signals to the HMC748 are terminated with 50 ohms to Vcc on-chip, and may be either AC or DC coupled. The outputs of the HMC748 may be operated either differentially or single-ended. Inputs or outputs can be connected directly to a 50 ohm to Vcc terminated system, while DC blocking capacitors may be used if the terminating system is 50 ohms to ground. The HMC748 operates from a single +3.3V DC supply and is housed in a ceramic RoHS compliant 3x3 mm SMT package.
Applications
2:1 Multiplexer up to 13 Gbps
RF ATE Applications
Broadband Test & Measurement
Serial Data Transmission up to 13 Gbps
Redundant Path Switching
Built-in Test

