HMC747
13 Gbps快速上升时间D型触发器,提供可编程输出电压
制造商:ADI/AD
产品信息
优势和特点
差分与单端操作
快速上升和下降时间: 22/20 ps
低功耗: 264 mW(典型值)
可编程差分输出电压摆幅: 700 - 1,300 mV
传播延迟: 105 ps
单电源: +3.3V
16引脚3x3mm SMT封装: 9mm²
产品详情
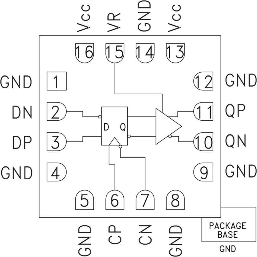
HMC747是一款D型触发器,设计支持高达13 Gbps的数据传输速率和高达13 GHz的时钟频率。 正常工作时,数据在时钟正边沿传输至输出端。 反转时钟输入便可支持负边沿触发应用。 HMC747还提供输出电平控制引脚VR,可用于损耗补偿,也可用于信号电平优化。
HMC747的全部输入和输出信号均以50 Ω端接至片上Vcc,并支持交流或直流耦合。 输入和输出可直接连到50 Ω Vcc端接系统,而如果采用50 Ω端接至地,则可以使用隔直电容。 HMC747采用+3.3V DC单电源供电,提供符合RoHS标准的3x3 mm SMT陶瓷封装。
应用
RF ATE应用
宽带测试和测量
高达13 Gbps的串行数据传输速率
高达13 GHz的数字逻辑系统

