HMC746
13 Gbps快速上升时间AND/NAND/OR/NOR门,提供可编程输出电压
制造商:ADI/AD
产品信息
优势和特点
支持高数据速率: 最高13 Gbps
差分与单端操作
传播延迟: 95 ps
快速上升与下降时间: 22/21 ps
可编程差分输出电压摆幅: 600 - 1,100 mV
低功耗: 230 mW(典型值)
单电源: +3.3V
16引脚陶瓷3x3mm SMT封装: 9mm²
产品详情
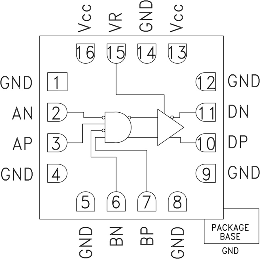
HMC746是一款AND/NAND/OR/NOR门,设计支持高达13 Gbps的数据传输速率和高达13 GHz的时钟频率。 HMC746可轻松配置为提供下列任一种逻辑功能: AND、NAND、OR和NOR。 HMC746还提供输出电平控制引脚VR,可用于损耗补偿,也可用于信号电平优化。
HMC746的全部输入和输出信号均以50 Ω端接至片上Vcc,并支持交流或直流耦合。 输入和输出可直接连到50 Ω Vcc端接系统,而如果采用50 Ω端接至地,则可以使用隔直电容。 HMC746采用+3.3V DC单电源供电,提供符合RoHS标准的3x3 mm SMT陶瓷封装
应用
RF ATE应用
宽带测试和测量
高达13 Gbps的串行数据传输速率
高达13 GHz的数字逻辑系统
NRZ-RZ转换

