HMC7447
E频段检波器,71 - 86 GHz
制造商:ADI/AD
产品信息
优势和特点
频率: 71 - 86 GHz
输入功率范围:-0.5至+23.5 dBm
动态范围: 24 dB
插入损耗: 0.45 dB
I/O匹配至50 Ω
芯片尺寸: 0.87 x 1.22 x 0.1 mm
产品详情
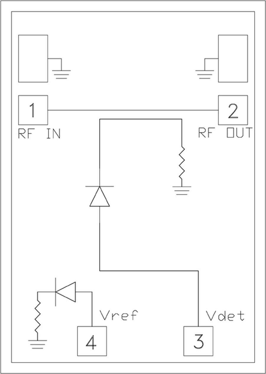
HMC7447是一款高性能E频段MMIC功率检波器,工作频率范围为71至86 GHz。 该功率检波器可在-0.5至+23.5 dBm的输入功率范围内提供线性输出电压,具有0.45 dB的低插入损耗,输入回损典型值仅为19.5 dB。 该检波器具有出色的灵敏度,在71至76 GHz频段以及81至86 GHz频段内的频率响应为±0.2 dB,适合用来监控发射机工作状态或实现闭环发射机输出功率。 HMC7447功率检波器还可在各种温度与输出负载变化的条件下提供出色的可重复性和平坦性能。 该器件可与运算放大器电路接口,在检测器最小输入功率电平时实现20 mV/dB的斜率。 所有数据均通过50 Ω测试夹具中的芯片测得,该夹具通过直径为0.025 mm (1 mil)、长度为0.2 mm (8 mil)的双焊线连接。
应用
HMC7447可以监控下列应用的Tx输出功率:
E频段通信系统
测试设备和传感器
通用RF功率检测

