HMC744
14 Gbps快速上升时间1:2扇出缓冲器,提供可编程输出电压和正电源
制造商:ADI/AD
产品信息
优势和特点
输入通过50 Ω电阻内部端接
差分与单端操作
传播延迟: 120 ps
快速上升与下降时间: 22/20 ps
可编程差分输出电压摆幅: 600 - 1,100 mV
低功耗: 287 mW(典型值)
单电源: +3.3V
16引脚陶瓷3x3mm SMT封装: 9mm²
产品详情
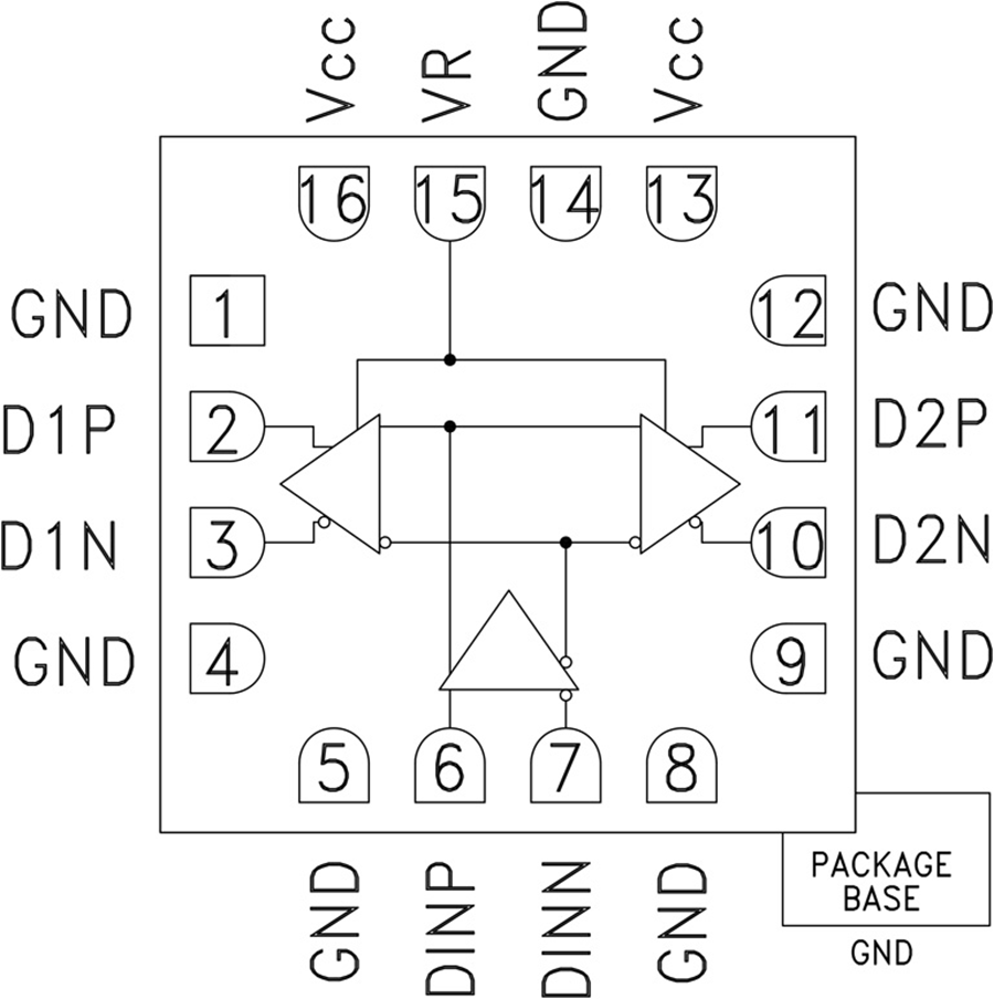
HMC744LC3是一款1:2扇出缓冲器,设计支持高达14 Gbps的数据传输速率和高达14 GHz的时钟频率。
HMC744LC3的所有差分输入均为CML并通过50 Ω电阻片上端接至正电源(Vcc),并支持交流或直流耦合。 差分CML输出源端接至50 Ω,同样可以交流或直流耦合。 输出可直接连到50 Ω Vcc端接系统,而如果采用50 Ω端接至地,则可以使用隔直电容。 HMC744LC3还提供输出电平控制引脚VR,可用于损耗补偿,也可用于信号电平优化。HMC744LC3采用3.3 V单电源供电,提供符合ROHS标准的3x3 mm SMT封装。
应用
RF ATE应用
宽带测试和测量
高达14 Gbps的串行数据传输速率
高达14 GHz的时钟缓冲速率
电路图、引脚图和封装图
应用案例
2030年全球AR/VR市场预计收入12.744亿美元
2020-12-09
采用砷化镓(GaAs)工艺制造的HMC232A
2023-02-01
HMC773A通用型双平衡混频器
2022-11-08
HMC141 RF混频器
2022-04-19
高速利器:HMC674LC3C/HMC674LP3E 9.3 GHz 锁存比较器深度剖析
2026-01-06
探索HMC7441:27.5 - 31 GHz GaAs pHEMT MMIC 2瓦功率放大器的卓越性能
2026-01-05
9.3 GHz 锁存比较器 HMC674LC3C/HMC674LP3E:性能与应用全解析
2026-01-06
探索HMC591LP5/HMC591LP5E:6.0 - 9.5 GHz GaAs PHEM
2026-01-04

