HMC742A
0.5 dB LSB GaAs MMIC 6位数字可变增益放大器,采用SMT封装,0.07 - 4 GHz
制造商:ADI/AD
产品信息
优势和特点
-19.5至12 dB增益控制,0.5 dB步进
上电状态选择
高输出IP3: +39 dBm
兼容TTL/CMOS串行、并行或锁存并行控制
增益步进误差:±0.25 dB(典型值)
+5V单电源
32引脚5x5mm SMT封装: 25mm²
产品详情
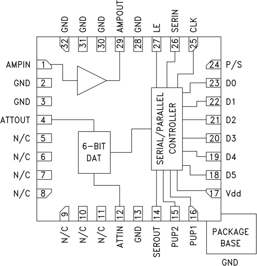
HMC742A是一款数字控制可变增益放大器,工作频率范围为70 MHz至4 GHz,可通过编程提供-19.5 dB衰减至12 dB增益,步进为0.5 dB。 HMC742A在最大增益状态下的噪声系数为4 dB,任意状态下的输出IP3最高为+39 dBm。 双模增益控制接口支持三线式串行输入或6位并行字。 HMC742A还提供用户可选上电状态和串行输出,从而级联其他Hittite串行控制元件。 HMC742A采用符合RoHS标准的5x5 mm QFN无铅封装,同时只需极少量的外部元件。
应用
蜂窝/3G基础设施
WiBro / WiMAX / 4G
微波无线电和VSAT
测试设备和传感器
IF和RF应用
电路图、引脚图和封装图
应用案例
磁力计HMC5883L传感器特性
2023-07-20
HMC574MS8E SPDT开关典型应用及特点
2023-05-31
HMC700LP4E PLL频率合成器典型应用
2023-05-31
HMC642A/HMC642LC5 6位数字移相器芯片和采用SMT封装技术手册
2025-04-09
高性能毫米波功率放大器HMC994A的深度解析
2026-01-06
探索HMC906A:27.3 - 33.5 GHz的2瓦功率放大器
2026-01-06
HMC998A:DC - 22 GHz的GaAs pHEMT MMIC 2瓦功率放大器
2026-01-05
HMC907A:高性能GaAs pHEMT MMIC功率放大器详解
2026-01-05

