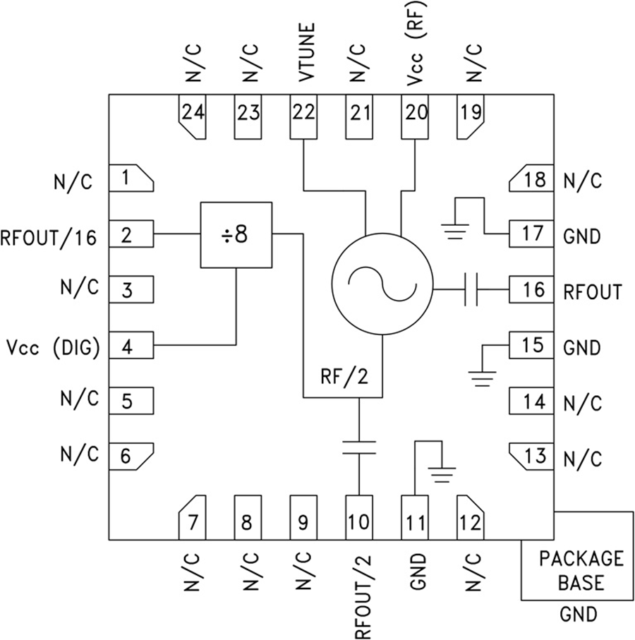
HMC738
具有半频输出和16分频的MMIC VCO,20.9 - 23.9 GHz
制造商:ADI/AD
产品信息
优势和特点
Pout: +9 dBm
相位噪声:-95 dBc/Hz(100 kHz,典型值)
无需外部谐振器
24引脚4x4 mm QFN封装: 16 mm²
产品详情
HMC738是一款GaAs InGaP异质结双极性晶体管(HBT) MMIC VCO。 该器件集成谐振器、负电阻器件、变容二极管和16分频预分频器。 由于振荡器采用单芯片结构,因此VCO的相位噪声性能在温度、冲击和工艺条件下尤为出色。 采用5V电源电压时,输出功率为+9 dBm(典型值)。 该电压控制振荡器采用低成本无铅QFN 4x4 mm表面贴装封装。
应用
点对点无线电
点对多点无线电/LMDS
VSAT

